Romusik писал(а):Источник цитаты... внести изменения в ... схему ...
Romusik писал(а):Источник цитаты... внести изменения в ... схему ...
, то влепить в карму ТОРМОЗА десяток глыбоких мерси, я тАк думаю! 
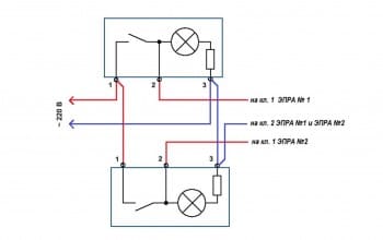
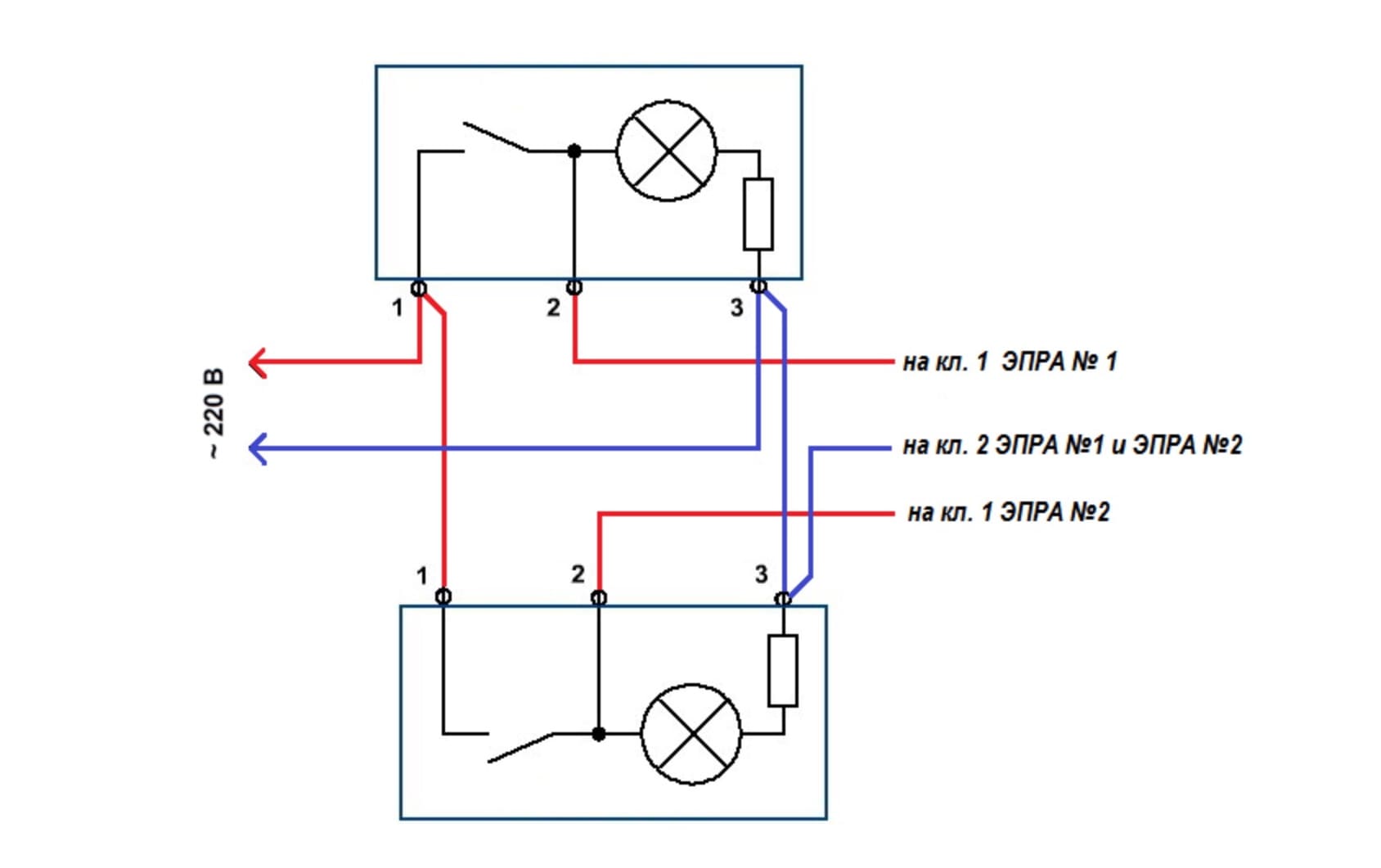
Нет ... у Вас будут (из Китая) две штучки ... каждый из них представляет собой - ДВА переключателя, в ОДНОМ корпусе.Romusik писал(а):Источник цитаты Очень прошу подсказать ещё, а вот такая схема подключения работоспособна или нет?
ПАВ писал(а):Вот как придут включатели, сделаете фото, разберемся. А без фени нигде нельзя.
"Ну и тупые!"(М.З.)Romusik писал(а):Источник цитатыНа фото выключателей которые я жду видно, что клавиша одна, а не две. Тогда почему Вы пишите, что каждый представляет собой два в одном корпусе? Вот это непонятно.
Вернуться в «Освещение и источники света»
Сейчас этот форум просматривают: нет зарегистрированных пользователей и 11 гостей