Вот не будет в возможном удлинителе заземлителя, и что, кто крайним будет? 
Вот не будет в возможном удлинителе заземлителя, и что, кто крайним будет? 
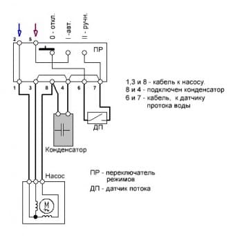
Я до сих пор путаюсь ... в каком случае имеем бо'льшие обороты ... когда обмотка вся или когда только часть ... наверно скорость меньше при большем индуктивном сопротивлении или наоборот ... при большем коллич. витков - больше "толкающая" сила?ПАВ писал(а):Источник цитаты На всякий поджарный, схема ЭЦН Грундфос:

Это что, у вас продают и такие ... тока с две жилы в проводах?ПАВ писал(а):Источник цитаты Нее, вы неправы, надо блюсти ПУЭ, или пилювать на них, по выборуВот не будет в возможном удлинителе заземлителя, и что, кто крайним будет?
TOPMO3 писал(а):Источник цитаты А хто Вам мешает установить этот блок в ванной ... в магазинах полно удлинителей (разной длины) с выключателем
elalex писал(а):Источник цитаты 2.Что за кисель около переключателя?
elalex писал(а):Источник цитаты В ванной засунете в коробочку, а саму коробочку поставите куда захотите.
)
Хуже нет, когда человек не может нормально описать ни обстоятельства/условия, ни свои желания.lahesis333 писал(а):Источник цитатыelalex писал(а):Источник цитаты В ванной засунете в коробочку, а саму коробочку поставите куда захотите.
Можно было бы так сделать, но есть одно НО. Есть два стояка холодной воды:в ванной и на кухне+туалет. Насос качает холодную воду через бойлер в ванную и на кухню. К примеру, пошел человек принимать ванную. Набрал ванную, лег, лежит. Тут на кухне кто то решил помыть посуду. А напор такой, что нужно включить режим РУЧНОЙ. Т.е. нужно беспокоить того кто лежит в ванной или не закрывать дверь в ванную комнату(что в случае приезда гостей маловероятно)
Вернуться в «Провода и кабели»
Сейчас этот форум просматривают: нет зарегистрированных пользователей и 10 гостей