S-Bird писал(а):Источник цитаты 4. Есть ли способ сделать безопаснее?
Давайте номиналы автоматов, включая, те что на площадке с подъезда, подумаем.
А то завтра предполагается насыщенный день.
Проводку уже сделали?
S-Bird писал(а):Источник цитаты 4. Есть ли способ сделать безопаснее?
aleksey.RU писал(а):Источник цитаты Может она подключена на 380, может на 220В, что вероятнее.
aleksey.RU писал(а):Источник цитаты Проводку уже сделали?
S-Bird писал(а):Источник цитаты что работает от 400V
S-Bird писал(а):Источник цитаты когда сделаю проект
ПАВ писал(а):Источник цитаты Вы хоть черновик проекта дайте, все проще будет

Гм ... сами только предположили, и сразу делаете выводы!aleksey.RU писал(а):Источник цитатыНастораживает Ваш нагреватель. В нем есть схема управления. Как она запитана? Маркетолог, который рисовал схему нагревателя не упомянул. Может она подключена на 380, может на 220В, что вероятнее. Из этого следует, что РЕ - это не РЕ, а PEN (зануление). А значит выбьет УЗО.
Это как ... Вы же инструкцию читали (какие-то страницы упоминали), зачем предлагаете 5х2,5 тянуть ... у него два режима по мощности (11 и 13,5) КВт , там, думаю и 6 мм.кв. норм, ну на крайняк 4 мм.кв. и не понятно, зачем пять жил, если показано четыре ...aleksey.RU писал(а):Источник цитатыТяните на нагреватель 5х2,5, а там бедет видно. Возможно, что придется покопаться в нутри нагревателя.
TOPMO3 писал(а):Источник цитаты Гм ... сами только предположили, и сразу делаете выводы!
TOPMO3 писал(а):Источник цитаты 5х2,5
TOPMO3 писал(а):Источник цитаты Ну может я отстал, и теперича PEN тоже стал желто-зеленым?!

Спасибо за ссылку ... почитаю.aleksey.RU писал(а):Источник цитаты Это из паспорта на нагреватель https://clage-com.ru/files/pdf/manual_cex_cfx.pdf стр 69. минимальное сечение
ПАВ писал(а):Источник цитаты Вы хоть черновик проекта дайте, все проще будет.
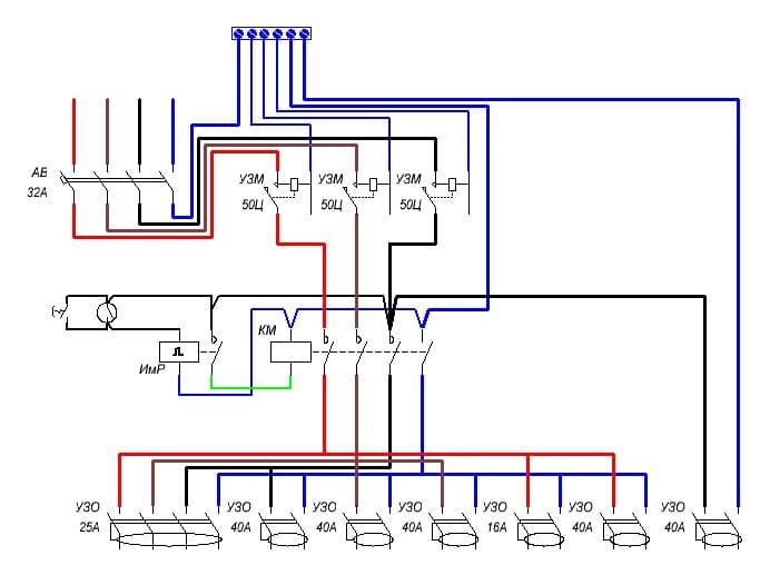
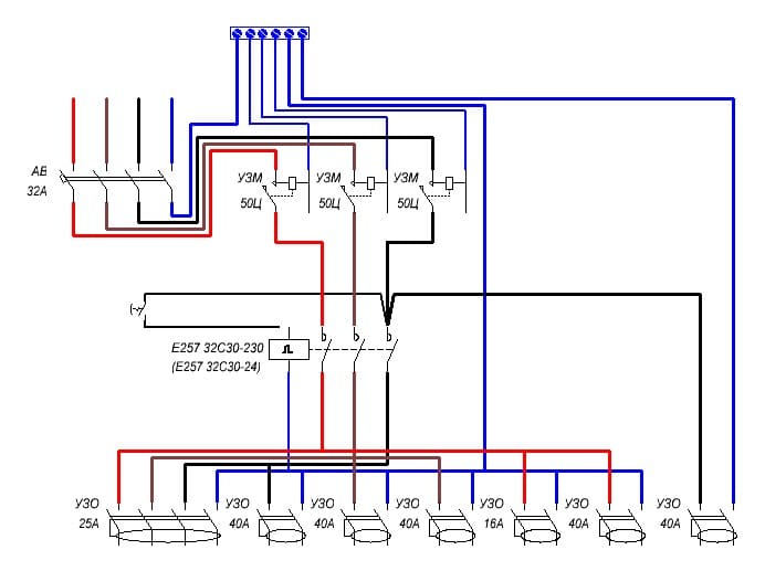
Это не схема, а картинка.S-Bird писал(а):Источник цитаты Из проекта пока только есть схема щита и больше ничего :)
S-Bird писал(а):Источник цитаты Из проекта пока только есть схема щита
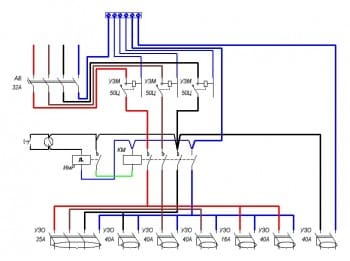
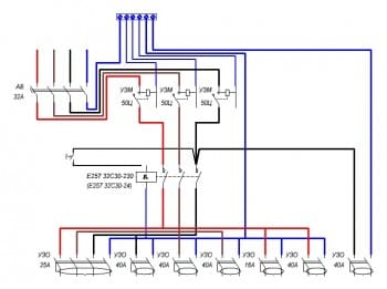
А я не уверен, что реле, адекватно отреагирует на сигнал датчика дыма.S-Bird писал(а):Источник цитаты2. Если сработает датчик дыма то контактор будет отключен...
Что будет работать и без чего ... то-ли контактор без реле, то-ли реле без управления. Не догоняю Вашу мысль ...S-Bird писал(а):Источник цитаты2. ... к контактору подключен ABB E290 (пока без управления, но я так понял будет работать и без этого)

Вернуться в «Проектирование внутреннего электроснабжения»
Сейчас этот форум просматривают: нет зарегистрированных пользователей и 13 гостей