aleksey.RU писал(а):Источник цитаты https://ekfgroup.com/catalog/products/v ... kf-proxima
Спасибо)
А вот еще про землю подскажите
продают разные комлекты заземления от 5к, оно стоит этих денег?)aleksey.RU писал(а):Источник цитаты https://ekfgroup.com/catalog/products/v ... kf-proxima
продают разные комлекты заземления от 5к, оно стоит этих денег?)atomo2 писал(а):Источник цитаты от 5к, оно стоит этих денег?)
, раза в 3,5
atomo2 писал(а):Источник цитаты Добрый день
aleksey.RU писал(а):Источник цитатыatomo2 писал(а):Источник цитаты Добрый день
1. не помню на счет вводного узо на 100-300мА
2. автомат на котёл можно 3-х полюсный
3. Узо на дом, лучше поставить после рубильника в щитке дома тип А электромеханическое 40А/30мА
4. Розетки дома 1 полюсник
5. Свет дома 1 полюсник
6. Свет бани 1-о полюсник + трансформатор 230/12В 100Вт (можно тор https://www.chipdip.ru/product/ttp-60-12v)
7. розетки гараж диф 25А/30мА
8. Свет гараж 1-о полюсник
(почитал, узнал)atomo2 писал(а):Источник цитаты 7. Диф , а автомат тогда не нужен ведь?
atomo2 писал(а):Источник цитаты А в доме диф не нужно ставить на розетки?
atomo2 писал(а):Источник цитаты И еще такой вопрос, если в будущем делать на бане внешнюю розетку ( для сварочника , болгарки итп ) то тоже диф нужно ставить?
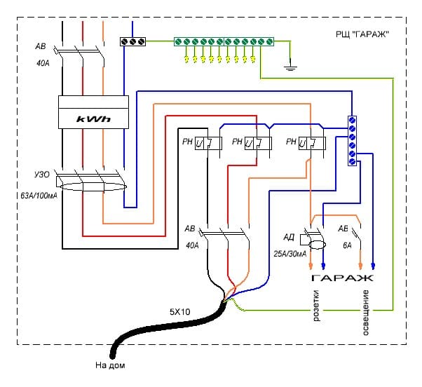
правильно провода развел ? Решил нарисовать и уточнить все, перед тем как делать, а то мало ли))
уже на дом пойдет...ПАВ писал(а):Источник цитаты Цены б картинке не было, если бы она была читабельна...
У вас что, приходят три фазы без ноля?
И где земля?
Я часто использую кнопку ... вторую справа.ПАВ писал(а):Источник цитаты Цены б картинке не было, если бы она была читабельна...



atomo2 писал(а):Источник цитаты Мне ноль для автомата на котел брать с реле защиты? Или можно с общей клеммы?
atomo2 писал(а):Источник цитаты Мне ноль для автомата на котел брать с реле защиты? Или можно с общей клеммы

TOPMO3 писал(а):Источник цитаты atomo2, Я правильно понимаю, что для Вас не критично оказаться в полностью обесточенном доме ... из-за любой утечки в любом месте хозяйства? Например: замыкание где нить в гараже (проверяете старый движок) - весь дом без света. Пример так себе, так как Вы будете знать причину ... а если где-то "самородилось" ...
Честно сказать, не совсем понятно, что будет считать ВАШ счетчик ... по схеме, основной нуль "обходит" этот счетчик ... получается на учете будут только электронные схемы трех РН. Думаю УЗО (100мА) будет со мной солидарен и будет капризничать.
https://forum-electrikov.ru/viewtopic.php?t=748Pavel писал(а):Источник цитаты TOPMO3, осмелюсь спросить- А чем Вы такие красивые схемы все время рисуете?

Если можно, поделитесь пожалуйста.Вернуться в «Проектирование внешнего электроснабжения»
Сейчас этот форум просматривают: нет зарегистрированных пользователей и 9 гостей