Проблема с проводкой

Вопросы по электромонтажу, не попавшие в основные разделы
Аватара пользователя
TOPMO3
Сообщения: 4181
Зарегистрирован: 29 фев 2016, 10:37
Репутация: 626
Откуда: Ижевск
Контактная информация:

Проблема с проводкой

Сообщение TOPMO3 » 12 янв 2023, 21:53

aleksey.RU писал(а):Источник цитаты
TOPMO3 писал(а):Источник цитаты схему с таким сценарием, другую придумать

TOPMO3, не прибедняйтесь. Может свет коридора до счетчика? :biggrin:
Какая разница, счетчик не коммутирующий аппарат ... в розетке напруга, от выключателя никак не должен зависить.
Смеюсь последний ... тормоз однако!
Реклама
Аватара пользователя
TOPMO3
Сообщения: 4181
Зарегистрирован: 29 фев 2016, 10:37
Репутация: 626
Откуда: Ижевск
Контактная информация:

Проблема с проводкой

Сообщение TOPMO3 » 12 янв 2023, 22:03

aа.jpg
:smile:
Смеюсь последний ... тормоз однако!
Аватара пользователя
Pavel
Сообщения: 397
Зарегистрирован: 01 ноя 2015, 19:40
Репутация: 70
Контактная информация:

Проблема с проводкой

Сообщение Pavel » 12 янв 2023, 22:59

Надо смотреть распредкоробку на лампу. Скорее всего там или бардак, или фаза на лампу не от счетчика, а через лампу на розетку при включении света и идет фаза. Раньше еще был один способ воровать энергию- розеточные ниши были сквозными между квартирами, и если убрать там пенопластовую перегородку, то можно было подключиться к фазе соседа за стеной.
А то судя по описанию проблемы получается дилемма (каламбур :pardon: ).
Аватара пользователя
aleksey.RU
Сообщения: 1397
Зарегистрирован: 12 сен 2022, 15:17
Репутация: 137
Откуда: СССР
Контактная информация:

Проблема с проводкой

Сообщение aleksey.RU » 13 янв 2023, 00:53

1.jpg

1.
A51 писал(а):Источник цитаты Если выключатель прихожей вкл.,то будет 220в

2.
A51 писал(а):Источник цитаты Дрель-перфоратор не работает, т к 99в

А вот и фигушки, в дрели и им подобные встраивают регулятор и они стартуют хоть от 20В, значит - если дрель не включилась от 90В, то это наводка
Тот, кто пытается использовать методы, не зная принципов, обречен на неудачу
Аватара пользователя
A51
Сообщения: 46
Зарегистрирован: 11 янв 2023, 22:25
Репутация: 0
Контактная информация:

Проблема с проводкой

Сообщение A51 » 13 янв 2023, 06:23

Доброе утро! Лампа не может быть подключена до счётчика, т к она не горит при выкл автомате. На схеме у Тормоза лампу не подключал к удлинителю.
Аватара пользователя
A51
Сообщения: 46
Зарегистрирован: 11 янв 2023, 22:25
Репутация: 0
Контактная информация:

Проблема с проводкой

Сообщение A51 » 13 янв 2023, 06:27

Напряжение на розетке удлинителя конкретно 99в,т к временно подключалась к автомату счетчика.
Аватара пользователя
TOPMO3
Сообщения: 4181
Зарегистрирован: 29 фев 2016, 10:37
Репутация: 626
Откуда: Ижевск
Контактная информация:

Проблема с проводкой

Сообщение TOPMO3 » 13 янв 2023, 09:55

A51 писал(а):Источник цитаты Напряжение на розетке удлинителя конкретно 99в,т к временно подключалась к автомату счетчика.
Так Вам, все-таки нужны шашечки или ехать? Будете выяснять природу появления этих 99 В ... или подключать удлинитель и сверлить стенку?
Если верить Вашим описаниям, у Вас совершенно посторонняя линия, "командует" отключенной линией ... у Вас или бардак в распредкоробках или провода, этих линий, где-то спеклись.
По Вашей картинке видно, что на кухне имеющиеся розетки запитаны от разных проводов (линий) ... что Вам мешает отключив одну, подключить удлинитель к другой розетке?
Смеюсь последний ... тормоз однако!
Аватара пользователя
A51
Сообщения: 46
Зарегистрирован: 11 янв 2023, 22:25
Репутация: 0
Контактная информация:

Проблема с проводкой

Сообщение A51 » 13 янв 2023, 10:53

В том то и дело что я не могу работать на розетке с вопросом под напряжением. Фаза одним проводом подключена на всю квартиру. Работать перфоратором через лампу боюсь. На меня повесят все дальнейшеи грехи и дружбе пипец. Распред коробки не видно.
Аватара пользователя
A51
Сообщения: 46
Зарегистрирован: 11 янв 2023, 22:25
Репутация: 0
Контактная информация:

Проблема с проводкой

Сообщение A51 » 13 янв 2023, 10:58

На другой розетке не пробовал брать ноль, да и смысла нет, если не исчезает проблема на розетке с вопр.
Аватара пользователя
A51
Сообщения: 46
Зарегистрирован: 11 янв 2023, 22:25
Репутация: 0
Контактная информация:

Проблема с проводкой

Сообщение A51 » 13 янв 2023, 11:47

Может так
Вложения
Схема 13 1.jpg
Так пойдет?
Аватара пользователя
A51
Сообщения: 46
Зарегистрирован: 11 янв 2023, 22:25
Репутация: 0
Контактная информация:

Проблема с проводкой

Сообщение A51 » 13 янв 2023, 11:52

Ноль const подключён получается.
Аватара пользователя
A51
Сообщения: 46
Зарегистрирован: 11 янв 2023, 22:25
Репутация: 0
Контактная информация:

Проблема с проводкой

Сообщение A51 » 13 янв 2023, 11:54

Розетка получается пост подключена через лампу по нолю.
Аватара пользователя
TOPMO3
Сообщения: 4181
Зарегистрирован: 29 фев 2016, 10:37
Репутация: 626
Откуда: Ижевск
Контактная информация:

Проблема с проводкой

Сообщение TOPMO3 » 13 янв 2023, 17:24

A51 писал(а):Источник цитаты В том то и дело что я не могу работать на розетке с вопросом под напряжением. Фаза одним проводом подключена на всю квартиру. Работать перфоратором через лампу боюсь. На меня повесят все дальнейшеи грехи и дружбе пипец. Распред коробки не видно.
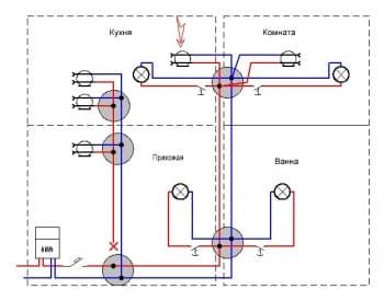
Как это одним проводом? Ваш рисунок, утверждает, что к автомату подключено два провода:
- первый провод питает три розетки ... один в прихожей и две на кухне;
- второй провод питает освещение (везде) и две розетки (одна на кухне, другая в комнате).
Отключайте только первый провод от автомата используйте свой удлинитель от розетки на кухне.
Вложения
2.jpg
1.jpg
Последний раз редактировалось TOPMO3 13 янв 2023, 17:34, всего редактировалось 2 раза.
Смеюсь последний ... тормоз однако!
Аватара пользователя
TOPMO3
Сообщения: 4181
Зарегистрирован: 29 фев 2016, 10:37
Репутация: 626
Откуда: Ижевск
Контактная информация:

Проблема с проводкой

Сообщение TOPMO3 » 13 янв 2023, 17:28

A51 писал(а):Источник цитаты Розетка получается пост подключена через лампу по нолю.
Я писал же выше ... тогда в прихожей освещение не работало ... Вы не опровергли и не подтвердили. :negative:
Смеюсь последний ... тормоз однако!
Аватара пользователя
A51
Сообщения: 46
Зарегистрирован: 11 янв 2023, 22:25
Репутация: 0
Контактная информация:

Проблема с проводкой

Сообщение A51 » 13 янв 2023, 17:49

К автомату подходит один конец провода,а затем два, просто я так нарисовал, где и как положен неведомо.
Последний раз редактировалось A51 13 янв 2023, 18:48, всего редактировалось 1 раз.
Аватара пользователя
A51
Сообщения: 46
Зарегистрирован: 11 янв 2023, 22:25
Репутация: 0
Контактная информация:

Проблема с проводкой

Сообщение A51 » 13 янв 2023, 17:50

К автомату подходит один конец провода,а затем два, просто я так нарисовал, где и как положен неведомо.
Последний раз редактировалось A51 13 янв 2023, 18:49, всего редактировалось 1 раз.
Аватара пользователя
A51
Сообщения: 46
Зарегистрирован: 11 янв 2023, 22:25
Репутация: 0
Контактная информация:

Проблема с проводкой

Сообщение A51 » 13 янв 2023, 18:13

Верно, Тормоз, вчера вы рисовали схему, только автомат не в ноле, а поэтому я не вник. Извините, общими усилиями вроде бы прояснилось. Фаза к счетчику подключена одним концом, на схеме видно. Где разделяется я не знаю.
Аватара пользователя
A51
Сообщения: 46
Зарегистрирован: 11 янв 2023, 22:25
Репутация: 0
Контактная информация:

Проблема с проводкой

Сообщение A51 » 13 янв 2023, 18:39

Нет, не получается, нет разъяснения, почему 220в на розетке.
Аватара пользователя
TOPMO3
Сообщения: 4181
Зарегистрирован: 29 фев 2016, 10:37
Репутация: 626
Откуда: Ижевск
Контактная информация:

Проблема с проводкой

Сообщение TOPMO3 » 13 янв 2023, 19:13

A51 писал(а):Источник цитаты К автомату подходит один конец провода, просто я так нарисовал, где и как положен неведомо.
И всё это, Вы пишите только сейчас!!! Четыре странички ниочем ... и не лень было?
Смеюсь последний ... тормоз однако!
Аватара пользователя
TOPMO3
Сообщения: 4181
Зарегистрирован: 29 фев 2016, 10:37
Репутация: 626
Откуда: Ижевск
Контактная информация:

Проблема с проводкой

Сообщение TOPMO3 » 13 янв 2023, 19:24

A51 писал(а):Источник цитаты Верно, Тормоз, вчера вы рисовали схему, только автомат не в ноле, а поэтому я не вник. Извините, общими усилиями вроде бы прояснилось. Фаза к счетчику подключена одним концом, на схеме видно. Где разделяется я не знаю.
Вы даже не поняли, что я просто рассматривал варианты ... с автоматом на фазе, схема вообще будет выглядеть дибильной/невозможной в жизни.
Пригласите специалиста ... на расстоянии, ни распредкоробки ни трассу прокладки проводов, нам не угадать.
Люди на форумы обращаются для получения консультации ... когда хозяин готов что-то делать ... у Вас же, только желание, получить теоритические гадания, возможных причин ... появления 99 В. :pardon:
Смеюсь последний ... тормоз однако!


  • Реклама

Вернуться в «Прочие вопросы по электромонтажу»

Кто сейчас на конференции

Сейчас этот форум просматривают: нет зарегистрированных пользователей и 12 гостей