Применение УЗМ-51 в автоматике частного дома

Выбор и схемы подключения контакторов, пускателей, реле, различных датчиков, кнопок управления, переключателей и т.п.
Аватара пользователя
elalex
Сообщения: 7423
Зарегистрирован: 21 июл 2015, 08:08
Репутация: 591
Откуда: [email protected]
Контактная информация:

Применение УЗМ-51 в автоматике частного дома

Сообщение elalex » 24 май 2016, 11:48

oleinap писал(а):Источник цитаты пускатель в ШР не встает под фальшпанель

1.Не нужно было делать разрыв ноля и увеличивать габарит пускателя.
2.Небольшая беда, если пускатель будет выступать из фальшпанели.
Одиночный свободный электрик
Опыт ремонтов квартир 20лет
Высшее электрическое образование
Бывший инженер-электрик
Пенсионер
64 года
Пишу для владельцев частного жилья
Запасной E–mail для россиян: [email protected]
Реклама
Аватара пользователя
oleinap
Сообщения: 138
Зарегистрирован: 13 май 2016, 12:07
Репутация: 5
Контактная информация:

Применение УЗМ-51 в автоматике частного дома

Сообщение oleinap » 24 май 2016, 14:41

elalex писал(а):Источник цитаты
oleinap писал(а):Источник цитаты пускатель в ШР не встает под фальшпанель

1.Не нужно было делать разрыв ноля и увеличивать габарит пускателя.
2.Небольшая беда, если пускатель будет выступать из фальшпанели.

разрыв ноля делал чтобы выполнить рекомендации ПУЭ, которые цитировал выше...
Аватара пользователя
oleinap
Сообщения: 138
Зарегистрирован: 13 май 2016, 12:07
Репутация: 5
Контактная информация:

Применение УЗМ-51 в автоматике частного дома

Сообщение oleinap » 24 май 2016, 14:45

Восток писал(а):Источник цитаты Поставьте три реле контроля напряжения ZUBR с регулировкой времени включения реле
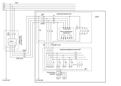
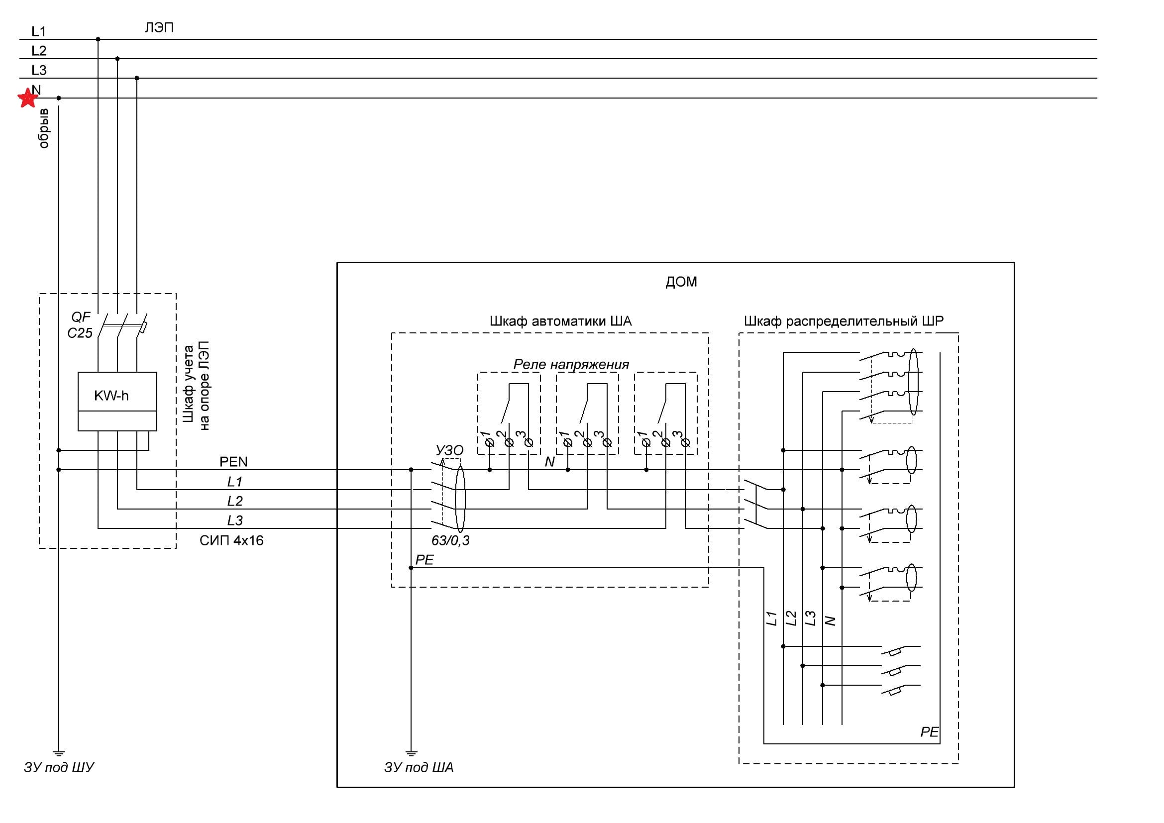
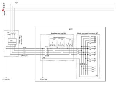
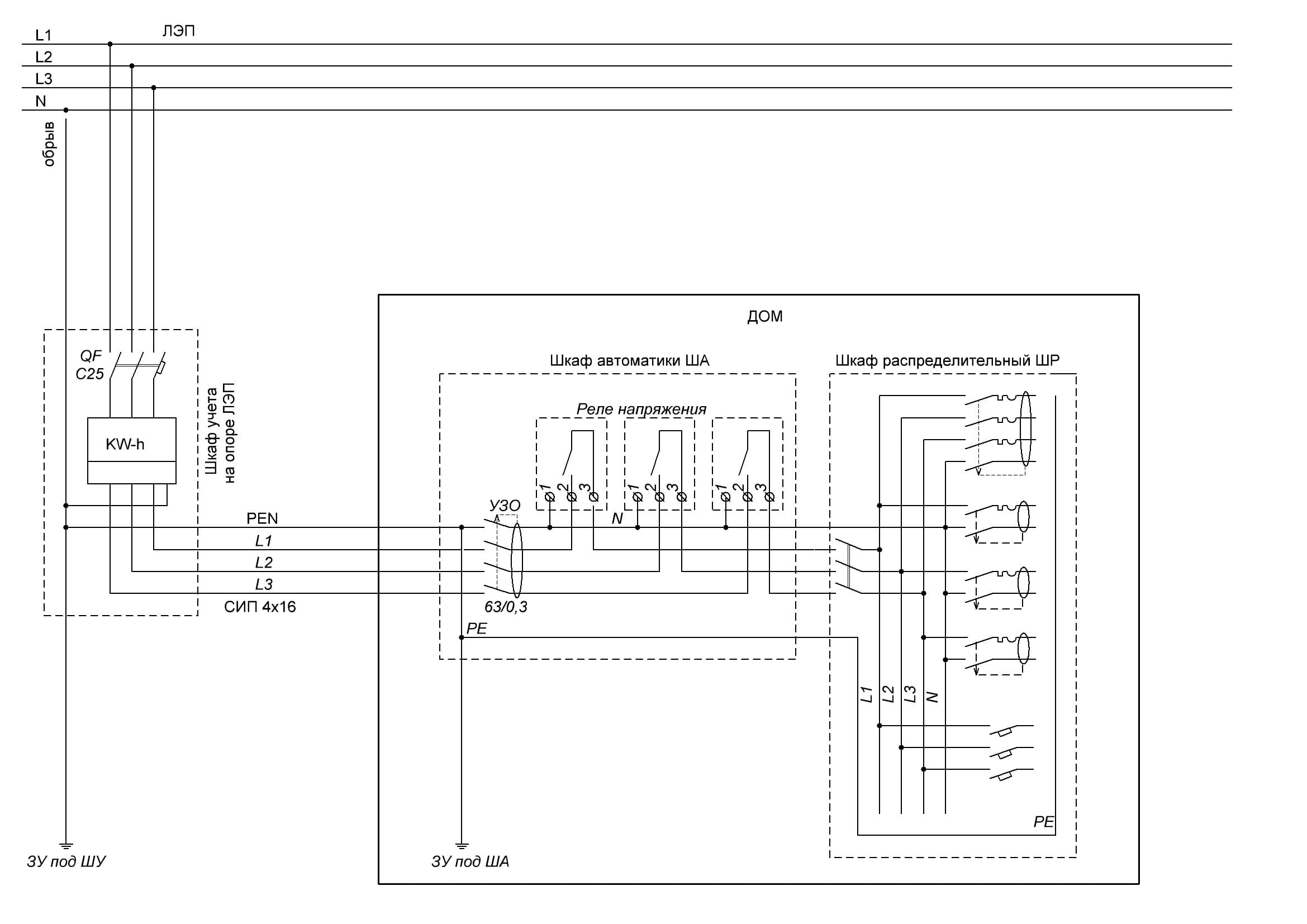
общая схема ЛЭП-дом с ШУ, ША и ШР с однофазными РН.JPG

как такая схема будет реагировать при обрыве нейтрали вне дома?
накидал прикладываю свой вариант схемы, обрыв ноля указан на ЛЭП
Что может быть на защитном заземлении?
Это оказывается весьма непростая тема...
Аватара пользователя
mastervictor
Сообщения: 4494
Зарегистрирован: 23 июл 2015, 08:50
Репутация: 508
Откуда: Краснодар(почти)
Контактная информация:

Применение УЗМ-51 в автоматике частного дома

Сообщение mastervictor » 24 май 2016, 15:07

oleinap писал(а):Источник цитаты Это оказывается весьма непростая тема...

Эт точно!
И сделайте обрыв,с лева от буквы N,так интересней!
Нет ничего невозможного,необходимо две вещи,время и деньги!(Я :hi: )
Я отношусь к людям так,как они относятся ко мне!(Я :hi: )
Аватара пользователя
oleinap
Сообщения: 138
Зарегистрирован: 13 май 2016, 12:07
Репутация: 5
Контактная информация:

Применение УЗМ-51 в автоматике частного дома

Сообщение oleinap » 24 май 2016, 15:09

mastervictor писал(а):Источник цитаты
oleinap писал(а):Источник цитаты Это оказывается весьма непростая тема...

Эт точно!
И сделайте обрыв,с лева от буквы N,так интересней!

это где, в каком месте, не понял....
Аватара пользователя
mastervictor
Сообщения: 4494
Зарегистрирован: 23 июл 2015, 08:50
Репутация: 508
Откуда: Краснодар(почти)
Контактная информация:

Применение УЗМ-51 в автоматике частного дома

Сообщение mastervictor » 24 май 2016, 15:18

oleinap писал(а):Источник цитаты это где, в каком месте, не понял....
Вложения
общая схема ЛЭП-дом с ШУ, ША и ШР с однофазными РН.JPG
Нет ничего невозможного,необходимо две вещи,время и деньги!(Я :hi: )
Я отношусь к людям так,как они относятся ко мне!(Я :hi: )
Аватара пользователя
Rokoal
Сообщения: 752
Зарегистрирован: 09 ноя 2015, 05:19
Репутация: 71
Откуда: Смоленск-Рудня
Контактная информация:

Применение УЗМ-51 в автоматике частного дома

Сообщение Rokoal » 24 май 2016, 15:35

Чем сделано повторное заземление PEN на опоре? Какое сечение проводника? Оно меньше или равно сечению ВЛ?
Аватара пользователя
oleinap
Сообщения: 138
Зарегистрирован: 13 май 2016, 12:07
Репутация: 5
Контактная информация:

Применение УЗМ-51 в автоматике частного дома

Сообщение oleinap » 24 май 2016, 15:36

mastervictor писал(а):Источник цитаты
oleinap писал(а):Источник цитаты это где, в каком месте, не понял....

замечательно, как бЭ в самой ТП-ушке отгорает клемма нейтрали. В результате для потребителей по улице создается система питания с "изолированной" от ТП-ухи нейтралью, и где-то (например в этом доме) есть повторные заземления этой изолированной нейтрали.
Таки КАК поведут себя однофазные реле напряжения в доме?
Что может быть на проводниках защитного заземления
Аватара пользователя
Rokoal
Сообщения: 752
Зарегистрирован: 09 ноя 2015, 05:19
Репутация: 71
Откуда: Смоленск-Рудня
Контактная информация:

Применение УЗМ-51 в автоматике частного дома

Сообщение Rokoal » 24 май 2016, 15:40

Вообще то реле отключаться без нейтрали. Чтобы не возникало вопросов разделение PEN надо делать на вводе электроустановки до вводного АВ.
Аватара пользователя
oleinap
Сообщения: 138
Зарегистрирован: 13 май 2016, 12:07
Репутация: 5
Контактная информация:

Применение УЗМ-51 в автоматике частного дома

Сообщение oleinap » 24 май 2016, 15:42

Rokoal писал(а):Источник цитаты Чем сделано повторное заземление PEN на опоре? Какое сечение проводника? Оно меньше или равно сечению ВЛ?

на опоре стальная проволока-катанка диаметром примерно 4 мм в 2 проволоки, то есть примерно 2х 20 кв мм ...
ВЛ- СИП 4 по 35 или по 50, точно не скажу. Там несколько домов с разрешенной мощностью по 15 кВт, в том числе и этот. Это село от меня в 600 км, делал там эти шкафы и разводку в доме 4 года назад...
Аватара пользователя
oleinap
Сообщения: 138
Зарегистрирован: 13 май 2016, 12:07
Репутация: 5
Контактная информация:

Применение УЗМ-51 в автоматике частного дома

Сообщение oleinap » 24 май 2016, 15:49

Rokoal писал(а):Источник цитаты Вообще то реле отключаться без нейтрали. Чтобы не возникало вопросов разделение PEN надо делать на вводе электроустановки до вводного АВ.

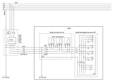
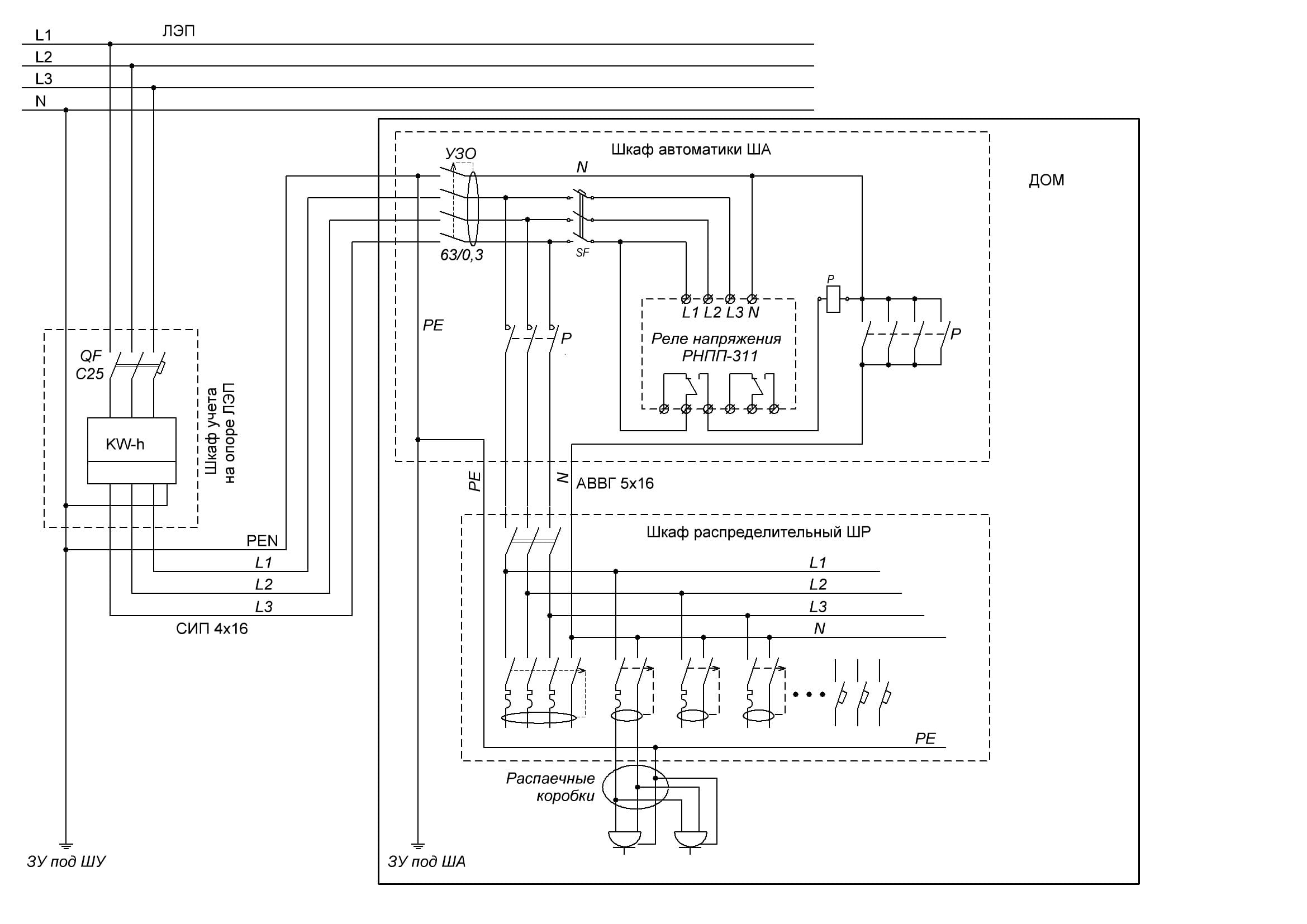
таки вот, я завел эту тему, чтобы выяснить, на что можно заменить трехфазное реле напряжения РНПП-311, которое управляет пускателем с разрывом всех фаз и нейтрали. Здесь мне предложили заменить на 3 однофазных реле (ЗУБР, РН-106) по схеме выше, а теперь прошу поясните, что будет в сети дома при обрыве нейтрали в ЛЭП.
Существующая схема питания дома, в ней поставлено РНПП-311и пускатель. При обрыве нейтрали РНПП полностью отключает дом, спасая внутренние сети и потребителей от опасных повышений фазных напряжений:
Вложения
общая схема ЛЭП-дом с ШУ, ША и ШР.JPG
Аватара пользователя
Rokoal
Сообщения: 752
Зарегистрирован: 09 ноя 2015, 05:19
Репутация: 71
Откуда: Смоленск-Рудня
Контактная информация:

Применение УЗМ-51 в автоматике частного дома

Сообщение Rokoal » 24 май 2016, 15:55

oleinap писал(а):Источник цитаты
таки вот, я завел эту тему, чтобы выяснить, на что можно заменить трехфазное реле напряжения РНПП-311, которое управляет пускателем

Зачем пускатель? Реле 63 А вам достаточно на каждую фазу с огромным запасом.
Аватара пользователя
mastervictor
Сообщения: 4494
Зарегистрирован: 23 июл 2015, 08:50
Репутация: 508
Откуда: Краснодар(почти)
Контактная информация:

Применение УЗМ-51 в автоматике частного дома

Сообщение mastervictor » 24 май 2016, 15:57

oleinap писал(а):Источник цитаты замечательно, как бЭ в самой ТП-ушке отгорает клемма нейтрали. В результате для потребителей по улице создается система питания с "изолированной" от ТП-ухи нейтралью, и где-то (например в этом доме) есть повторные заземления этой изолированной нейтрали.
Таки КАК поведут себя однофазные реле напряжения в доме?
Что может быть на проводниках защитного заземления


Не обязательно в ТП,при ВЛ,это может быть и в первом пролете,и в десятом!
Панда ответил.
Далее,самое интересное и не изведанное!Так как линия-линии рознь(повторное заземление ноля),и не в каждом доме есть повторное заземление ПЕН проводника!
А что такое ноль в сети,это "стабилизатор" фаз,и чем он хуже,тем не стабильней напряжение на фазах!
Ну как то так!
Нет ничего невозможного,необходимо две вещи,время и деньги!(Я :hi: )
Я отношусь к людям так,как они относятся ко мне!(Я :hi: )
Аватара пользователя
Восток
Сообщения: 850
Зарегистрирован: 30 янв 2016, 18:07
Репутация: 429
Контактная информация:

Применение УЗМ-51 в автоматике частного дома

Сообщение Восток » 24 май 2016, 16:24

oleinap писал(а):Источник цитаты а теперь прошу поясните, что будет в сети дома при обрыве нейтрали в ЛЭП.


У вас в доме все однофазные потребители собраны в схему звезда.
Фаза А-----------------Потребитель-----------Ноль-----I
Фаза В-----------------Потребитель-----------Ноль-----I---------Х обрыв нуля Х-----------
Фаза С-----------------Потребитель-----------Ноль-----I

Таким образом у вас будет в этот момент три плеча, между фазами и точкой соединения в звезду. Потребители, которые в этот момент будут включены имеют разную мощность потребления, поэтому в каждом плече между точкой звезды и фазами будет разное напряжение, на которое будет реагировать реле контроля .
Аватара пользователя
oleinap
Сообщения: 138
Зарегистрирован: 13 май 2016, 12:07
Репутация: 5
Контактная информация:

Применение УЗМ-51 в автоматике частного дома

Сообщение oleinap » 24 май 2016, 16:29

Rokoal писал(а):Источник цитаты
oleinap писал(а):Источник цитаты
таки вот, я завел эту тему, чтобы выяснить, на что можно заменить трехфазное реле напряжения РНПП-311, которое управляет пускателем

Зачем пускатель? ....

ну пускатель управляется 3-х фазным реле РНПП-311, которое естественно само не может, это сейчас существующая схема. И это соответствует рекомендациям п. 7.1.21 ПУЭ:

При питании однофазных потребителей от многофазной питающей сети ответвлениями от воздушных линий, когда РЕN проводник воздушной линии является общим для групп однофазных потребителей, питающихся от разных фаз, рекомендуется предусматривать защитное отключение потребителей при превышении напряжения выше допустимого, возникающего из-за несимметрии нагрузки при обрыве РЕN проводника. Отключение должно производиться на вводе в здание, например воздействием на независимый расцепитель вводного автоматического выключателя посредством реле максимального напряжения, при этом должны отключаться как фазный (L), так и нулевой рабочий (N) проводники.

А это
Rokoal писал(а):Источник цитаты...Реле 63 А вам достаточно на каждую фазу с огромным запасом.

уже будет без разрыва нейтрали. КАК будут работать однофазные реле напряжения при обрыве нейтрали на ЛЭП?
Мне представляется, начнется хаотичное отключение реле тех фаз, напряжения которых будут выходить за пределы уставок, и тут же включения реле, когда напряжения вернутся в норму.
Я для себя пытаюсь понять, что лучше при обрыве нейтрали - отключение сразу ВСЕХ фаз и разрыв нейтрали, или пусть какая фаза в норме, там и работает...
Таки КАК лучше?
Аватара пользователя
oleinap
Сообщения: 138
Зарегистрирован: 13 май 2016, 12:07
Репутация: 5
Контактная информация:

Применение УЗМ-51 в автоматике частного дома

Сообщение oleinap » 24 май 2016, 16:33

Восток писал(а):Источник цитаты
oleinap писал(а):Источник цитаты а теперь прошу поясните, что будет в сети дома при обрыве нейтрали в ЛЭП.


У вас в доме все однофазные потребители собраны в схему звезда.
Фаза А-----------------Потребитель-----------Ноль-----I
Фаза В-----------------Потребитель-----------Ноль-----I---------Х обрыв нуля Х-----------
Фаза С-----------------Потребитель-----------Ноль-----I

Таким образом у вас будет в этот момент три плеча, между фазами и точкой соединения в звезду. Потребители, которые в этот момент будут включены имеют разную мощность потребления, поэтому в каждом плече между точкой звезды и фазами будет разное напряжение, на которое будет реагировать реле контроля .

то есть на тех фазах, где фазное напряжение в пределах нормы, там реле будут в состоянии "замкнуто", где вне пределов- разомкнуто.
Наброс нагрузки в доме, грелка захотела включиться в одной фазе, в другой выключилась, перекос изменился, реле отреагировали - кто-то отключил, кто-то включил.
Так получаются хаотические моргушки по дому...
Выходит контроль за всеми фазами одним реле отключение сразу всех фаз при сильном перекосе - все-таки лучше, чем хаотичные моргушки...
Аватара пользователя
Восток
Сообщения: 850
Зарегистрирован: 30 янв 2016, 18:07
Репутация: 429
Контактная информация:

Применение УЗМ-51 в автоматике частного дома

Сообщение Восток » 24 май 2016, 16:47

Хаотическая моргушка возможна при обрыве нуля, (аварийный режим), а так реле контроля имеет паузу на включение, в зависимости какую вы выставите. А вот нормальном режиме все будет работать как положено, и реле будет срабатывать при скачках.
Аватара пользователя
elalex
Сообщения: 7423
Зарегистрирован: 21 июл 2015, 08:08
Репутация: 591
Откуда: [email protected]
Контактная информация:

Применение УЗМ-51 в автоматике частного дома

Сообщение elalex » 24 май 2016, 17:54

oleinap писал(а):Источник цитаты разрыв ноля делал чтобы выполнить рекомендации ПУЭ, которые цитировал выше

1.Вы неправильно поняли рекомендацию ПУЭ. Она касается только 1-фазного ввода, но не 3-фазного.
2.Есть аналогичное заблуждение по запрету применения УЗО в системе TN-C. Всем кажется, что это запрет применения в 2-проводной части схемы (где только фаза и ноль), а на самом деле это запрет на применение УЗО только в 3-фазной части TN-C.
Одиночный свободный электрик
Опыт ремонтов квартир 20лет
Высшее электрическое образование
Бывший инженер-электрик
Пенсионер
64 года
Пишу для владельцев частного жилья
Запасной E–mail для россиян: [email protected]
Аватара пользователя
elalex
Сообщения: 7423
Зарегистрирован: 21 июл 2015, 08:08
Репутация: 591
Откуда: [email protected]
Контактная информация:

Применение УЗМ-51 в автоматике частного дома

Сообщение elalex » 24 май 2016, 18:31

oleinap писал(а):Источник цитаты ZUBR

У него нет звуковой сигнализации срабатывания и защиты от внутренних КЗ.


oleinap писал(а):Источник цитаты такая схема

Как можно раньше нужно делить схему на 3 части. В каждой части свой 1-фазный вводной автомат (фаза), свой ноль, свое реле напряжения, свое УЗО 30мА. Другие УЗО в части лишние.


oleinap писал(а):Источник цитаты КАК поведут себя однофазные реле напряжения в доме?

Скорее всего, собственного заземления дома хватит для нормальной работы схемы реле напряжения.
Поведут как положено: если входящие напряжения в пределах уставок, будут включены.


oleinap писал(а):Источник цитаты Что может быть на проводниках защитного заземления

Что угодно, вплоть до 220В. Хорошее заземление забабахали человеку.


oleinap писал(а):Источник цитаты в доме 4 года назад

Может, там уже нет никого живого?


oleinap писал(а):Источник цитаты на тех фазах, где фазное напряжение в пределах нормы, там реле будут в состоянии "замкнуто", где вне пределов- разомкнуто.

Насколько я понял, внутри 3-фазного реле напряжения стоит 3-фазный пускатель. На выходе одновременно: или все 3 фазы есть, или всех 3 фаз нет.


oleinap писал(а):Источник цитаты Выходит контроль за всеми фазами одним реле отключение сразу всех фаз при сильном перекосе - все-таки лучше, чем хаотичные моргушки.

Если моргушки 1 раз в час, это лучше, чем вообще без напряжения сутки.
Одиночный свободный электрик
Опыт ремонтов квартир 20лет
Высшее электрическое образование
Бывший инженер-электрик
Пенсионер
64 года
Пишу для владельцев частного жилья
Запасной E–mail для россиян: [email protected]
Аватара пользователя
oleinap
Сообщения: 138
Зарегистрирован: 13 май 2016, 12:07
Репутация: 5
Контактная информация:

Применение УЗМ-51 в автоматике частного дома

Сообщение oleinap » 25 май 2016, 09:01

elalex писал(а):Источник цитаты
oleinap писал(а):Источник цитаты в доме 4 года назад

Может, там уже нет никого живого?

человек туда наезжает зимой на несколько дней, в отпуске на месяц. Все работает, даже как-то были в других домах повреждения потребителей - телевизоры, холодильники, еще что-то (возможно был обрыв ноля где-то на ЛЭП), здесь ничего не пострадало, моя автоматика отработала.
Но зимой человек жалуется, что моя автоматика часто обесточивает дом - бывают большие перекосы из-за разной нагрузки на уличную ЛЭП, писал в самом начале.

elalex писал(а):Источник цитаты
oleinap писал(а):Источник цитаты на тех фазах, где фазное напряжение в пределах нормы, там реле будут в состоянии "замкнуто", где вне пределов- разомкнуто.

Насколько я понял, внутри 3-фазного реле напряжения стоит 3-фазный пускатель. На выходе одновременно: или все 3 фазы есть, или всех 3 фаз нет.

это я писал про 3 однофазных реле, в них есть свои электромагнитные реле.
Внутри 3-х фазного реле конечно пускателей нет, на выходе 2 группы переключательных контактов для управления.


elalex писал(а):Источник цитаты
oleinap писал(а):Источник цитаты Выходит контроль за всеми фазами одним реле отключение сразу всех фаз при сильном перекосе - все-таки лучше, чем хаотичные моргушки.

Если моргушки 1 раз в час, это лучше, чем вообще без напряжения сутки.

Вы правы, так лучше.
Значит когда у человека появится деньга купить 3 однофазных реле напряжения и смогу выбраться к нему в село, переделаю автоматику по этой схеме во вложении.
И посмотрю, возможно ли проложить доп 2 провода нейтрали от ША в ШР в том же металлорукаве, что и кабель...


  • Реклама

Вернуться в «Контакторы, пускатели, реле, датчики, кнопки и т.п.»

Кто сейчас на конференции

Сейчас этот форум просматривают: нет зарегистрированных пользователей и 6 гостей