Щит на 3 фазы. Проверьте, пожалуйста, схему.

Проектирование внутреннего электроснабжения квартир, домов, коттеджей и т.п. Нормы, типовые проекты, расчеты, делимся своими проектами.
Аватара пользователя
saigr
Сообщения: 43
Зарегистрирован: 06 апр 2018, 09:48
Репутация: 2
Откуда: Владивосток
Контактная информация:

Щит на 3 фазы. Проверьте, пожалуйста, схему.

Сообщение saigr » 06 апр 2018, 10:46

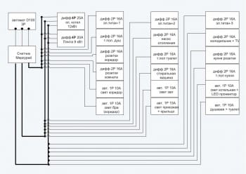
Прошу помощи у сообщества - указать на ошибки в приложенной схеме.

Обрисую ситуацию:
На дом выделили 15 кВт и обязали поставить автомат на 63А.
Электрик, который производил подключение, сделал ввод в дом СИП"ом 4х16 и поставил рубильник с плавкими вставками ПВ2-100 (на 100А)
Затем поставил автомат D 100А и после него - счетчик.
В доме есть "свое" заземление.
Акт приемки - подписан.

Буду рад услышать конструктивную критику :blush:
Вложения
01.jpg
Реклама
ПАВ
Сообщения: 7647
Зарегистрирован: 13 авг 2015, 19:54
Репутация: 923
Откуда: Одесса
Контактная информация:

Щит на 3 фазы. Проверьте, пожалуйста, схему.

Сообщение ПАВ » 06 апр 2018, 11:05

Да с АВ 100А ВТХ Д- лихо, это когда же он сработает?
В жизни все не так, как на самом деле...
Аватара пользователя
saigr
Сообщения: 43
Зарегистрирован: 06 апр 2018, 09:48
Репутация: 2
Откуда: Владивосток
Контактная информация:

Щит на 3 фазы. Проверьте, пожалуйста, схему.

Сообщение saigr » 06 апр 2018, 11:11

ПАВ писал(а):Источник цитаты когда же он сработает?

Наверное никогда. Его в любом случае надо менять - я такого производителя даже не знаю...
Какой посоветуете номинал?
Аватара пользователя
Константин
Сообщения: 3464
Зарегистрирован: 16 сен 2015, 10:19
Репутация: 851
Откуда: Новосибирская область
Контактная информация:

Щит на 3 фазы. Проверьте, пожалуйста, схему.

Сообщение Константин » 06 апр 2018, 11:26

saigr писал(а):Источник цитаты Наверное никогда. Его в любом случае надо менять - я такого производителя даже не знаю.

Размечтались. Сработает. Причем в месте с АВДТ с ВТХ "С". Есть малая вероятность не отключений только при КЗ на аппаратах в С 10А.
На с чет производителя у вас ни слова. ХЗ кто сделал АВДТ и все остальное.
Для себя я бы обязательно установил РН.
Аватара пользователя
saigr
Сообщения: 43
Зарегистрирован: 06 апр 2018, 09:48
Репутация: 2
Откуда: Владивосток
Контактная информация:

Щит на 3 фазы. Проверьте, пожалуйста, схему.

Сообщение saigr » 06 апр 2018, 11:43

Константин, хочу поставить все дифы и автоматы от Шнайдер'а, из сериии Шнайдер Изи 9.
Константин писал(а):Источник цитаты Для себя я бы обязательно установил РН.

РН - это что? (я немного "плаваю" в аббревиатурах)
Аватара пользователя
elalex
Сообщения: 7423
Зарегистрирован: 21 июл 2015, 08:08
Репутация: 591
Откуда: [email protected]
Контактная информация:

Щит на 3 фазы. Проверьте, пожалуйста, схему.

Сообщение elalex » 06 апр 2018, 11:50

saigr:
1.У меня обычно много замечаний, как по первичной схеме, так и по её изменениям.
2.Пока 1 серия замечаний.
3.Считайте, что у вас вводной рубильник.
4.Все автоматы в доме выбираются с учетом измерений петель Фаза–ноль.
Одиночный свободный электрик
Опыт ремонтов квартир 20лет
Высшее электрическое образование
Бывший инженер-электрик
Пенсионер
64 года
Пишу для владельцев частного жилья
Запасной E–mail для россиян: [email protected]
Аватара пользователя
Константин
Сообщения: 3464
Зарегистрирован: 16 сен 2015, 10:19
Репутация: 851
Откуда: Новосибирская область
Контактная информация:

Щит на 3 фазы. Проверьте, пожалуйста, схему.

Сообщение Константин » 06 апр 2018, 11:55

saigr писал(а):Источник цитаты РН - это что?

РН- Реле напряжение.
Аватара пользователя
TOPMO3
Сообщения: 4181
Зарегистрирован: 29 фев 2016, 10:37
Репутация: 626
Откуда: Ижевск
Контактная информация:

Щит на 3 фазы. Проверьте, пожалуйста, схему.

Сообщение TOPMO3 » 06 апр 2018, 12:05

saigr писал(а):Источник цитатыНа дом выделили 15 кВт и обязали поставить автомат на 63А.

Электрик, который производил подключение, ... поставил рубильник с плавкими вставками ПВ2-100 (на 100А)
Не рубильник, а пакетный выключатель, рассчитанный на коммутацию до 100А (никаких плавких предохранителей в нем нет).
Затем поставил автомат D 100А и после него - счетчик.
То есть, электрик решил не ограничивать Вас 15_тью киловаттами. :yes:
В доме есть "свое" заземление.
Проясните плиз, что Вы имеете в виду под "свое"?
Акт приемки - подписан.
Приемки чего? Вроде, обычно, подписывают договор на подключение.

По схеме (имхо): ... не понятно ... Это всё (что нарисовано) в одном щитке (корпусе/ящике)?
1. Теплые полы (все) - 6А/10мА.
2. Свет (коридор) объединить под общий автомат.
3. Душевая+туалет - под дифавтомат (10мА).
Смеюсь последний ... тормоз однако!
Аватара пользователя
saigr
Сообщения: 43
Зарегистрирован: 06 апр 2018, 09:48
Репутация: 2
Откуда: Владивосток
Контактная информация:

Щит на 3 фазы. Проверьте, пожалуйста, схему.

Сообщение saigr » 06 апр 2018, 12:08

elalex писал(а):Источник цитаты 4.Все автоматы в доме выбираются с учетом измерений петель Фаза–ноль.

Это несколько проблематично - объект находится в 370 км от "цивилизации", в глухой деревне, туда часов 5-7 езды.
(сделать монтаж проводки, пригласить лабораторию на замеры, потом поехать в город за модулькой...)
Константин писал(а):Источник цитаты РН- Реле напряжение.

Спасибо. Я думал об этом, но не уверен, что заказчик согласится. Еле уговорил его на модульку Шнайдер.
Было тяжело объяснить, почему дифы похожи, а разница в цене различна ))
Аватара пользователя
elalex
Сообщения: 7423
Зарегистрирован: 21 июл 2015, 08:08
Репутация: 591
Откуда: [email protected]
Контактная информация:

Щит на 3 фазы. Проверьте, пожалуйста, схему.

Сообщение elalex » 06 апр 2018, 12:10

1.По соображениям селективности защиты никаких 3–фазных аппаратов – автоматов (кроме как для моторов) и реле напряжения, любых дифавтоматов быть не должно.
2.По соображениям молниезащиты никаких ВЛ к дому подходить не должно.
3.Никаких плавких вставок.
Последний раз редактировалось elalex 06 апр 2018, 21:47, всего редактировалось 1 раз.
Одиночный свободный электрик
Опыт ремонтов квартир 20лет
Высшее электрическое образование
Бывший инженер-электрик
Пенсионер
64 года
Пишу для владельцев частного жилья
Запасной E–mail для россиян: [email protected]
Аватара пользователя
elalex
Сообщения: 7423
Зарегистрирован: 21 июл 2015, 08:08
Репутация: 591
Откуда: [email protected]
Контактная информация:

Щит на 3 фазы. Проверьте, пожалуйста, схему.

Сообщение elalex » 06 апр 2018, 12:16

Все измерения делаюся безо всяких лабораторий, самолично, с использованием простых вещей (скажем, чайника и вольтметра).
Одиночный свободный электрик
Опыт ремонтов квартир 20лет
Высшее электрическое образование
Бывший инженер-электрик
Пенсионер
64 года
Пишу для владельцев частного жилья
Запасной E–mail для россиян: [email protected]
Аватара пользователя
saigr
Сообщения: 43
Зарегистрирован: 06 апр 2018, 09:48
Репутация: 2
Откуда: Владивосток
Контактная информация:

Щит на 3 фазы. Проверьте, пожалуйста, схему.

Сообщение saigr » 06 апр 2018, 12:20

TOPMO3 писал(а):Источник цитаты (никаких плавких предохранителей в нем нет).

Рядом с щитом установлен "железный ящик" с рукояткой сбоку, внутри как раз и стоят эти плавкие вставки.
TOPMO3 писал(а):Источник цитаты То есть, электрик решил не ограничивать Вас 15_тью киловаттами

Да, щедрой рукой ограничили на 100 А ))
В доме есть "свое" заземление - по цоколю здания идет металлическая полоса. Один конец заведен в дом, а второй уходит в грунт.
TOPMO3 писал(а):Источник цитаты Вроде, обычно, подписывают договор на подключение.

Да, вы правы. Не правильно написал.
TOPMO3 писал(а):Источник цитаты Это всё (что нарисовано) в одном щитке (корпусе/ящике)?

Да. Он полуторный, буду ставить дополнительную дин-рейку.
TOPMO3 писал(а):Источник цитаты 2. Свет (коридор) объединить под общий автомат.

ОК
TOPMO3 писал(а):Источник цитаты 3. Душевая+туалет - под дифавтомат (10мА).

Это на освещение.

P.S. я не могу разобраться - будет ли нормально работать УЗО, если использовать светодиодные или энергосберегающие лампочки?
Аватара пользователя
TOPMO3
Сообщения: 4181
Зарегистрирован: 29 фев 2016, 10:37
Репутация: 626
Откуда: Ижевск
Контактная информация:

Щит на 3 фазы. Проверьте, пожалуйста, схему.

Сообщение TOPMO3 » 06 апр 2018, 12:23

elalex писал(а):Источник цитаты 1.По соображениям селективности защиты никаких 3–фазных автоматов (кроме как для моторов) и реле напряжения, любых дифавтоматов быть не должно.
Предлагаете 3_ех фазные котел и плиту ... запитывать через три однополюсные автоматы или три двухполюсные дифы?
2.По соображениям молниезащиты никаких ВЛ к дому подходить не должно.
Это мысли вслух или рекомендация ТС переделывать ответвление от сети?
3.Никаких плавких вставок.
Момент смутный ... то ли ТС совсем "чайник", то ли подключавший электрик совсем "того". :fool:
Смеюсь последний ... тормоз однако!
Аватара пользователя
saigr
Сообщения: 43
Зарегистрирован: 06 апр 2018, 09:48
Репутация: 2
Откуда: Владивосток
Контактная информация:

Щит на 3 фазы. Проверьте, пожалуйста, схему.

Сообщение saigr » 06 апр 2018, 12:24

elalex писал(а):Источник цитаты По соображениям селективности защиты никаких 3–фазных автоматов (кроме как для моторов) и реле напряжения, любых дифавтоматов быть не должно.

А как тогда подключать эл.котел и плиту???
elalex писал(а):Источник цитаты 2.По соображениям молниезащиты никаких ВЛ к дому подходить не должно.

ВЛ - это что? ))
Аватара пользователя
saigr
Сообщения: 43
Зарегистрирован: 06 апр 2018, 09:48
Репутация: 2
Откуда: Владивосток
Контактная информация:

Щит на 3 фазы. Проверьте, пожалуйста, схему.

Сообщение saigr » 06 апр 2018, 12:26

TOPMO3 писал(а):Источник цитаты Момент смутный ... то ли ТС совсем "чайник", то ли подключавший электрик совсем "того". :fool:

ТС конечно чайник, но не очень :biggrin: А деревенские электрики - это особый случай )))
Аватара пользователя
elalex
Сообщения: 7423
Зарегистрирован: 21 июл 2015, 08:08
Репутация: 591
Откуда: [email protected]
Контактная информация:

Щит на 3 фазы. Проверьте, пожалуйста, схему.

Сообщение elalex » 06 апр 2018, 12:37

Я пишу для владельцев частного жилья, так что отойду в сторону.
Одиночный свободный электрик
Опыт ремонтов квартир 20лет
Высшее электрическое образование
Бывший инженер-электрик
Пенсионер
64 года
Пишу для владельцев частного жилья
Запасной E–mail для россиян: [email protected]
Аватара пользователя
TOPMO3
Сообщения: 4181
Зарегистрирован: 29 фев 2016, 10:37
Репутация: 626
Откуда: Ижевск
Контактная информация:

Щит на 3 фазы. Проверьте, пожалуйста, схему.

Сообщение TOPMO3 » 06 апр 2018, 12:39

saigr писал(а):Источник цитатыРядом с щитом установлен "железный ящик" с рукояткой сбоку, внутри как раз и стоят эти плавкие вставки.
Тогда это не ПВ, а что то, типа - ПН-2 ЯРП 100А.
И что будете делать, если вставка "полетит" ... пломбу или попу рвать?
В доме есть "свое" заземление - по цоколю здания идет металлическая полоса. Один конец заведен в дом, ...
Просто на свою шину или подключен к "нулю"?
Это на освещение.
Ясно.
P.S. я не могу разобраться - будет ли нормально работать УЗО, если использовать светодиодные или энергосберегающие лампочки?
Работа УЗО, ни как не связана с типом нагрузки ... ответ - будет ... вопрос, нужно ли? Электрофобы ставят везде.
Смеюсь последний ... тормоз однако!
Аватара пользователя
saigr
Сообщения: 43
Зарегистрирован: 06 апр 2018, 09:48
Репутация: 2
Откуда: Владивосток
Контактная информация:

Щит на 3 фазы. Проверьте, пожалуйста, схему.

Сообщение saigr » 06 апр 2018, 12:40

elalex, это и есть частное жилье :wink:
Аватара пользователя
TOPMO3
Сообщения: 4181
Зарегистрирован: 29 фев 2016, 10:37
Репутация: 626
Откуда: Ижевск
Контактная информация:

Щит на 3 фазы. Проверьте, пожалуйста, схему.

Сообщение TOPMO3 » 06 апр 2018, 12:42

elalex писал(а):Источник цитаты Я пишу для владельцев частного жилья, так что отойду в сторону.
А кто по Вашему ТС?
ВЛ - это что? ))
Воздушная линия - питающий кабель на опорах, по воздуху, до вводного.
Смеюсь последний ... тормоз однако!
ПАВ
Сообщения: 7647
Зарегистрирован: 13 авг 2015, 19:54
Репутация: 923
Откуда: Одесса
Контактная информация:

Щит на 3 фазы. Проверьте, пожалуйста, схему.

Сообщение ПАВ » 06 апр 2018, 12:44

elalex писал(а):Источник цитаты Я пишу для владельцев частного жилья, так что отойду в сторону.


Вы пишите не владельцам, а тем, кто делает- электрикам-поставщикам. Они пишут ТУ, а не жильцы, они устанавливают ВРУ и проч, они определят все. Или вы считаете, что АВ на 100 ампер владелец дом придумал, доучетный, и может отказаться? Опуститесь на Землю грешную!
В жизни все не так, как на самом деле...


  • Реклама

Вернуться в «Проектирование внутреннего электроснабжения»

Кто сейчас на конференции

Сейчас этот форум просматривают: нет зарегистрированных пользователей и 9 гостей