Частотник Веспер

Выбор, пуск, схемы подключения и соединения обмоток, реверс различных электродвигателей.
aleksandrych
Сообщения: 2
Зарегистрирован: 18 май 2023, 12:15
Репутация: 0
Контактная информация:

Частотник Веспер

Сообщение aleksandrych » 18 май 2023, 12:22

Здравствуйте. Может кто сталкивался?
Как подключить две кнопки к частотнику Веспер E2-8300. Одна кнопка вперед, другая назад. Необходимо, что бы двигатель работал при нажатой кнопке, при отпускании останавливался.
Реклама
Аватара пользователя
aleksey.RU
Сообщения: 1397
Зарегистрирован: 12 сен 2022, 15:17
Репутация: 137
Откуда: СССР
Контактная информация:

Частотник Веспер

Сообщение aleksey.RU » 18 май 2023, 13:38

aleksandrych писал(а):Источник цитаты Как подключить

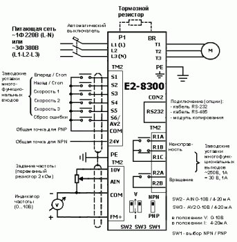
как у всех частотников.
В мануале есть схема.
ebac916333c6d3b3739eb4e3c496e77c.gif

COM-S1 и CОM-S2, при необходимости поправить настройки назначения входов 1 и 2 (за вас мануал читать никто не будет) и исключить одновременное нажатие двух кнопок
Возможно потребуется перемычка AIN-10V для старта частотника
Тот, кто пытается использовать методы, не зная принципов, обречен на неудачу
aleksandrych
Сообщения: 2
Зарегистрирован: 18 май 2023, 12:15
Репутация: 0
Контактная информация:

Частотник Веспер

Сообщение aleksandrych » 18 май 2023, 13:46

Схема и инструкция есть. Просто при данном подключении получается первое нажатие кнопки - включение, повторное - стоп
Аватара пользователя
aleksey.RU
Сообщения: 1397
Зарегистрирован: 12 сен 2022, 15:17
Репутация: 137
Откуда: СССР
Контактная информация:

Частотник Веспер

Сообщение aleksey.RU » 18 май 2023, 14:05

aleksandrych писал(а):Источник цитаты первое нажатие кнопки - включение, повторное - стоп

aleksey.RU писал(а):Источник цитаты при необходимости поправить настройки назначения входов 1 и 2

И имейте ввиду, что ни один частотник и двигатель не осуществит мгновенное изменение направления вращения.
Плавно пуск - плавно останов - плавно реверс - плавно останов
величина "плавно" тоже настраивается
Тот, кто пытается использовать методы, не зная принципов, обречен на неудачу


  • Реклама

Вернуться в «Электродвигатели переменного и постоянного тока»

Кто сейчас на конференции

Сейчас этот форум просматривают: нет зарегистрированных пользователей и 10 гостей