Свистят ЭПРА для люминесцентных ламп

Обсуждение и решение проблем с уличным и внутридомовым освещением, люминесцентные и светодиодные лампы, установка и схемы подключение светильников и люстр, ремонт, пускорегулирующая аппаратура (ПРА), дросселя, ИЗУ и т.п.
Аватара пользователя
Evstafiev
Сообщения: 12
Зарегистрирован: 17 мар 2016, 09:49
Репутация: 0
Контактная информация:

Свистят ЭПРА для люминесцентных ламп

Сообщение Evstafiev » 18 мар 2016, 14:58

Всем доброго времени суток. Надеюсь на подсказку.

Есть 2 ЭПРА HELVAR EL 4*18 ngn ( коэффициент пульсации 2%). Есть соответствующие люминисцентные лампы фирмы osram. Подключены согласно схеме на ЭПРА: накидные патроны и многожильный провод обжатый наконечниками, сечением 0,7.
Ситуация: при подключении одной эпра к сети все норм, но при подключении второй эпра обе начинают свистеть, при этом лампы работают как надо. При этом если взяться руками за корпуса обеих ЭПРА свист прекращается и "потряхивает". Замерил напряжение (переменное) между корпусами - 178В. Заземления нет в доме, думаю на батарею провод кинуть. Оборудование все новое.
Заранее спасибо за любые советы и подсказки
Реклама
ПАВ
Сообщения: 7647
Зарегистрирован: 13 авг 2015, 19:54
Репутация: 923
Откуда: Одесса
Контактная информация:

Свистят и коротят 2 эпра для лл ламп

Сообщение ПАВ » 18 мар 2016, 15:04

Батарея для заземления не подходит!!! Никогда, как и газовая. Корпуса металлические? И откуда решение про КОРОТЯТ?
В жизни все не так, как на самом деле...
Аватара пользователя
Evstafiev
Сообщения: 12
Зарегистрирован: 17 мар 2016, 09:49
Репутация: 0
Контактная информация:

Свистят и коротят 2 эпра для лл ламп

Сообщение Evstafiev » 18 мар 2016, 15:49

Да, металлические. А коротят когда за корпуса берешься. Кстати насчёт батарей - видел лично такое, приварены болт, к нему гайкой провод притянут. Конечно хэнд мэйд вероятно)
Аватара пользователя
Восток
Сообщения: 850
Зарегистрирован: 30 янв 2016, 18:07
Репутация: 429
Контактная информация:

Свистят ЭПРА для люминесцентных ламп

Сообщение Восток » 18 мар 2016, 17:20

Evstafiev писал(а):Источник цитаты При этом если взяться руками за корпуса обеих ЭПРА свист прекращается и "потряхивает". Замерил напряжение (переменное) между корпусами - 178В.

Там на входе стоит фильтр помех, видимо у вас там конденсатор уже на исходе, вот он то и дает такую картинку. Смотрите на каком ЭПРА корпусит.
Аватара пользователя
Rumato
Сообщения: 739
Зарегистрирован: 23 июл 2015, 22:15
Репутация: 107
Откуда: Щелково МО
Контактная информация:

Свистят ЭПРА для люминесцентных ламп

Сообщение Rumato » 18 мар 2016, 17:40

Evstafiev писал(а):Источник цитаты Кстати насчёт батарей - видел лично такое, приварены болт, к нему гайкой провод притянут. Конечно хэнд мэйд вероятно)

Я лично видел как в центре Москвы продают героин. Давайте все вечером выйдем и по грамму купим?
Нельзя так делать. Нихт. Найн. Забудьте.
Арбайтен.
https://instagram.com/dmytriy_kuskov
Аватара пользователя
Evstafiev
Сообщения: 12
Зарегистрирован: 17 мар 2016, 09:49
Репутация: 0
Контактная информация:

Свистят ЭПРА для люминесцентных ламп

Сообщение Evstafiev » 18 мар 2016, 17:58

Восток писал(а):Там на входе стоит фильтр помех, видимо у вас там конденсатор уже на исходе, вот он то и дает такую картинку. Смотрите на каком ЭПРА корпусит.

Обе ЭПРА новые. Как определить какая из них корпусит?
Rumato писал(а):Я лично видел как в центре Москвы продают героин. Давайте все вечером выйдем и по грамму купим?
Нельзя так делать. Нихт. Найн. Забудьте.
Арбайтен

Ясно, спасибо.
Аватара пользователя
mastervictor
Сообщения: 4494
Зарегистрирован: 23 июл 2015, 08:50
Репутация: 508
Откуда: Краснодар(почти)
Контактная информация:

Свистят ЭПРА для люминесцентных ламп

Сообщение mastervictor » 18 мар 2016, 18:56

Вопрос у меня был,но он меня не касался.....ну раз тут у вас такая пьянка,спрошу:
1.7.109. В качестве естественных заземлителей могут быть использованы:
..................
2) металлические трубы водопровода, проложенные в земле;
................

До водопровода можно?
Нет ничего невозможного,необходимо две вещи,время и деньги!(Я :hi: )
Я отношусь к людям так,как они относятся ко мне!(Я :hi: )
ПАВ
Сообщения: 7647
Зарегистрирован: 13 авг 2015, 19:54
Репутация: 923
Откуда: Одесса
Контактная информация:

Свистят ЭПРА для люминесцентных ламп

Сообщение ПАВ » 18 мар 2016, 19:04

Канешно, шо, не знали???
Но можно и куда угодно, если вас не интересует результат, в т.ч. к гвоздю в пчтке/заднице...
Проблема стара как мир- НИЧЕГО И НИГДЕ там не корпусит и не коротит, типовая схема- на сетевом входе два конденсатора между линией и нейтралью, а общая их точка ПРЕДПОЛАГАЕТ ЗАЗЕМЛЕНИЕ! Про это писалось тыщу мильенов раз, точно так "коротит" и БП кампутёра, ТВ некоторых и много чего. Если сие чудо питается трехпроводной/трехштыревой вилкой, в инструкции ПРО ЭТО наверняка прописано.
В жизни все не так, как на самом деле...
Аватара пользователя
mastervictor
Сообщения: 4494
Зарегистрирован: 23 июл 2015, 08:50
Репутация: 508
Откуда: Краснодар(почти)
Контактная информация:

Свистят ЭПРА для люминесцентных ламп

Сообщение mastervictor » 18 мар 2016, 19:09

ПАВ писал(а):Источник цитаты Канешно, шо, не знали???

Это ответ на мой вопрос?
Чего такой возбужденный то?
Пятница на дворе!
Нет ничего невозможного,необходимо две вещи,время и деньги!(Я :hi: )
Я отношусь к людям так,как они относятся ко мне!(Я :hi: )
Аватара пользователя
Восток
Сообщения: 850
Зарегистрирован: 30 янв 2016, 18:07
Репутация: 429
Контактная информация:

Свистят ЭПРА для люминесцентных ламп

Сообщение Восток » 18 мар 2016, 19:10

mastervictor писал(а):Источник цитаты До водопровода можно?


Это немного не то.
Этот пункт касается как естественного заземлителя труб ( которые лежат в земле) до ввода в дом.
Ведь на каком либо участке водопровода могут поменять часть на пластиковую трубу.
ПАВ
Сообщения: 7647
Зарегистрирован: 13 авг 2015, 19:54
Репутация: 923
Откуда: Одесса
Контактная информация:

Свистят ЭПРА для люминесцентных ламп

Сообщение ПАВ » 18 мар 2016, 19:16

mastervictor писал(а):Источник цитаты
ПАВ писал(а):Источник цитаты Канешно, шо, не знали???

Это ответ на мой вопрос?
Чего такой возбужденный то?
Пятница на дворе!

Да я спокоен как удафф- приехал, принял стакан своего сухарика на грудь- типа аперетивчик, жду ужин, и никаких подло-вредных мыслей! Так, разминка.
В жизни все не так, как на самом деле...
Аватара пользователя
mastervictor
Сообщения: 4494
Зарегистрирован: 23 июл 2015, 08:50
Репутация: 508
Откуда: Краснодар(почти)
Контактная информация:

Свистят ЭПРА для люминесцентных ламп

Сообщение mastervictor » 18 мар 2016, 19:18

Алилуя!
Он цитирует!
Мои мольбы были не напрасны!
Спасибо Господи!
Нет ничего невозможного,необходимо две вещи,время и деньги!(Я :hi: )
Я отношусь к людям так,как они относятся ко мне!(Я :hi: )
ПАВ
Сообщения: 7647
Зарегистрирован: 13 авг 2015, 19:54
Репутация: 923
Откуда: Одесса
Контактная информация:

Свистят ЭПРА для люминесцентных ламп

Сообщение ПАВ » 18 мар 2016, 19:20

Исключительно для не всех!
В жизни все не так, как на самом деле...
Аватара пользователя
Evstafiev
Сообщения: 12
Зарегистрирован: 17 мар 2016, 09:49
Репутация: 0
Контактная информация:

Свистят ЭПРА для люминесцентных ламп

Сообщение Evstafiev » 18 мар 2016, 19:21

ПАВ писал(а):Источник цитаты инструкции ПРО ЭТО наверняка прописано.

К сожалению инструкции не было. На корпусе написано только: сечение провода 0,5-0,7; и 1,2,5,6 провода короткие, при чем не указано на сколько короткие... Я сделал все по 140 см. Вот сейчас думаю: могло ли это повлиять? Приду домой попробую меньше метра их сделать. А земли в доме нет: хрущевка.
ПАВ писал(а):Источник цитаты типовая схема- на сетевом входе два конденсатора между линией и нейтралью, а общая их точка ПРЕДПОЛАГАЕТ ЗАЗЕМЛЕНИЕ! Про это писалось тыщу мильенов раз, точно так "коротит" и БП кампутёра, ТВ некоторых и много чего.

Т.е. если я возмусь за ЭПРА и корпус компьютера также должно потряхивать?
ПАВ
Сообщения: 7647
Зарегистрирован: 13 авг 2015, 19:54
Репутация: 923
Откуда: Одесса
Контактная информация:

Свистят ЭПРА для люминесцентных ламп

Сообщение ПАВ » 18 мар 2016, 19:28

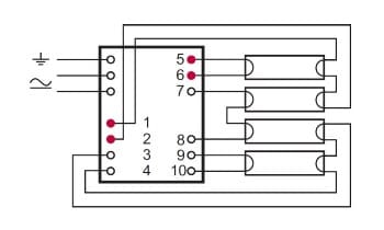
Не надо делать такие эксперименты!!! Имелось в виду то, что в вашем ЭПРА и БП компа схемы сетевой части с фильтром МОГУТ БЫТЬ идентичные, как написал выше. И если так, то эта средняя точка или землится, или щиплет, если касаться металла. Но если НЕ касаться, изолировать корпус, то и не заметите. И все!
Много всего, но нет схемы ЭПРА до сих пор, или картинки из паспорта, а вдруг яснее станет?
В жизни все не так, как на самом деле...
Аватара пользователя
Восток
Сообщения: 850
Зарегистрирован: 30 янв 2016, 18:07
Репутация: 429
Контактная информация:

Свистят ЭПРА для люминесцентных ламп

Сообщение Восток » 18 мар 2016, 19:32

Evstafiev писал(а):Источник цитаты Т.е. если я возмусь за ЭПРА и корпус компьютера также должно потряхивать?


Нет если конденсатор не высох. А вот если конденсатор подсох или высох то идет утечка на корпус.
ПАВ
Сообщения: 7647
Зарегистрирован: 13 авг 2015, 19:54
Репутация: 923
Откуда: Одесса
Контактная информация:

Свистят ЭПРА для люминесцентных ламп

Сообщение ПАВ » 18 мар 2016, 19:33

Вот и картинка:
И сразу все ясно- заземление предусмотрено конструкцией, у вас такой нет?
Вложения
4337001.JPG
4337001.JPG (16.18 КБ) 2913 просмотров
В жизни все не так, как на самом деле...
ПАВ
Сообщения: 7647
Зарегистрирован: 13 авг 2015, 19:54
Репутация: 923
Откуда: Одесса
Контактная информация:

Свистят ЭПРА для люминесцентных ламп

Сообщение ПАВ » 18 мар 2016, 19:35

Восток писал(а):Источник цитаты
Evstafiev писал(а):Источник цитаты Т.е. если я возмусь за ЭПРА и корпус компьютера также должно потряхивать?


Нет если конденсатор не высох. А вот если конденсатор подсох или высох то идет утечка на корпус.


Там- керамика, или полимер какой, емкость небольшие, сохнуть нечему- не электролит, а если и усохнет, ток не проводит.
В жизни все не так, как на самом деле...
Аватара пользователя
Evstafiev
Сообщения: 12
Зарегистрирован: 17 мар 2016, 09:49
Репутация: 0
Контактная информация:

Свистят ЭПРА для люминесцентных ламп

Сообщение Evstafiev » 18 мар 2016, 19:37

ПАВ писал(а):Источник цитаты сразу все ясно- заземление предусмотрено конструкцией, у вас такой нет?

Пока разбирался как картинку добавить вы уже выложили. Да, конечно я видел что на схеме есть земля, только где мне её взять? Спросил у электрика, он на батарею кинуть посоветовал. Хорошо что я на форум вначале зашёл спросить...
Аватара пользователя
Восток
Сообщения: 850
Зарегистрирован: 30 янв 2016, 18:07
Репутация: 429
Контактная информация:

Свистят ЭПРА для люминесцентных ламп

Сообщение Восток » 18 мар 2016, 19:38

На китайце стоит электролит.


  • Реклама

Вернуться в «Освещение и источники света»

Кто сейчас на конференции

Сейчас этот форум просматривают: нет зарегистрированных пользователей и 8 гостей