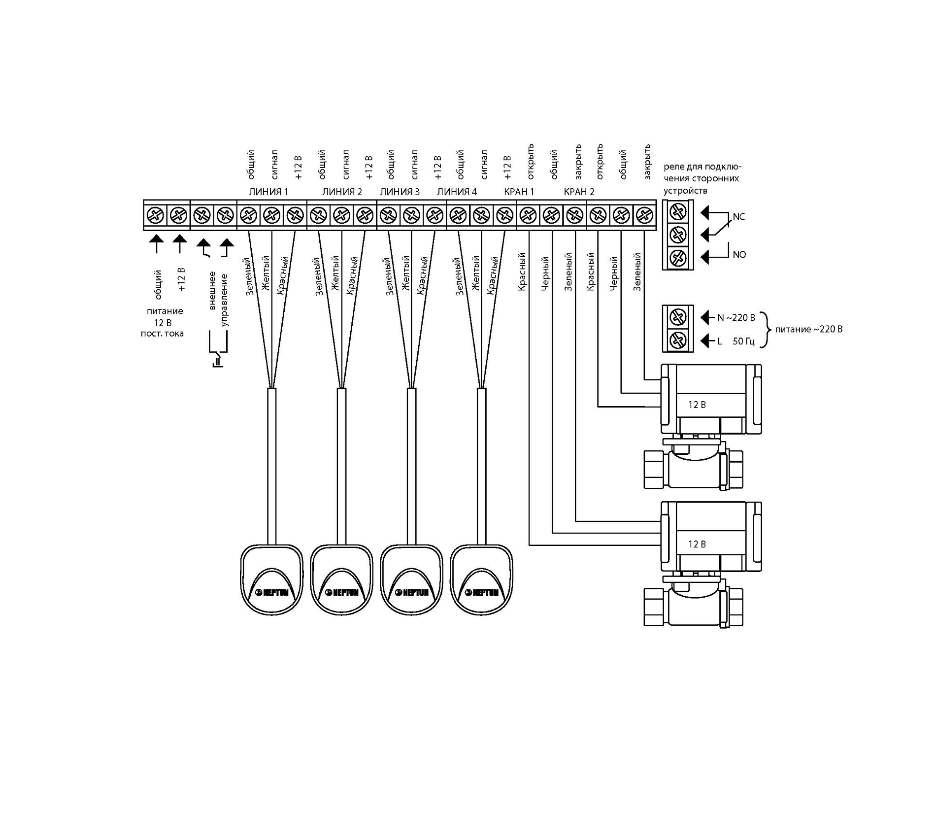
Система защиты от протечек Нептун. На кран 1 подключены 2 крана, на горячую и холодную воду. На кран 2 подключены 2 крана на полотенцесушитель, подача и обратка.
Проблема в следующем, в нормальном режиме кран 1 открыт, кран 2 закрыт! Т.е. когда все нормально вода на ПС перекрыта.
При имитации утечки воды, кран 1 закрывается, а кран 2 открывается! И вода идет в полотенчик.
Подключено все правильно в соответствии со схемой.
Как это понять? И в чем может быть проблема?

