Перфораторы, дрели, шуруповерты

Выбор, обзор, рекомендации и отзывы о ручном и электрическом инструменте для монтажа: мультиметры, клещи, перфораторы, шуруповерты, штроборезы и т.д.
Аватара пользователя
Роман Лященко
Сообщения: 11
Зарегистрирован: 18 ноя 2015, 13:01
Репутация: 0
Откуда: Украина
Контактная информация:

Перфораторы, дрели, шуруповерты

Сообщение Роман Лященко » 21 окт 2016, 21:53

Роман Лященко писал(а):Источник цитаты
ПАВ писал(а):Источник цитаты
Роман Лященко писал(а):Источник цитаты Да, нужна схема


ПАВ писал(а):Источник цитаты Очень просто- трансформатор на ток, потребляемый дрелью, с запасом, выпрямитель и конденсатор. Т.к, нет конкретных данных о ш/в, то и вопрос не конкретный, а так- ваааще.

Ш/в есть на 9, 12, 14, 18 вольт, вам какую?

18 вольт

Извиняюсь, 12 вольт
Реклама
Аватара пользователя
TOPMO3
Сообщения: 4181
Зарегистрирован: 29 фев 2016, 10:37
Репутация: 626
Откуда: Ижевск
Контактная информация:

Перфораторы, дрели, шуруповерты

Сообщение TOPMO3 » 22 окт 2016, 16:55

Роман Лященко писал(а):Источник цитатыДа, нужна схема
Пжалуйста ...
Трансформатор понижающий - 220В/15В, примерно на 300Вт.
Диоды (4 шт.) - на 10-15А... возможно понадобятся радиаторы (зависит от диодов).
Ну и провода ... и всё!
Вложения
1.jpg
Смеюсь последний ... тормоз однако!
ПАВ
Сообщения: 7647
Зарегистрирован: 13 авг 2015, 19:54
Репутация: 923
Откуда: Одесса
Контактная информация:

Перфораторы, дрели, шуруповерты

Сообщение ПАВ » 22 окт 2016, 17:07

Примерно так, только вместо диодов отдельных- мост-моноблок, их как грязи. Ну и выбор и тр-ра+моста по току и напряжению, как правило- вряд ли более 5...6 ампер тр-р и мост типовой на 10 ампер. Можно и больше, хужее не станет. Тр-р на вторичное 12 вольт.
В жизни все не так, как на самом деле...
Аватара пользователя
TOPMO3
Сообщения: 4181
Зарегистрирован: 29 фев 2016, 10:37
Репутация: 626
Откуда: Ижевск
Контактная информация:

Перфораторы, дрели, шуруповерты

Сообщение TOPMO3 » 22 окт 2016, 17:14

ПАВ писал(а):Источник цитаты Тр-р на вторичное 12 вольт.
:nea:
Пусть будет на 14-15В ... падение на диодах + на длиииинном и тонком проводе (от старого пылесоса - 0,75 в сечении). :happy:
Смеюсь последний ... тормоз однако!
ПАВ
Сообщения: 7647
Зарегистрирован: 13 авг 2015, 19:54
Репутация: 923
Откуда: Одесса
Контактная информация:

Перфораторы, дрели, шуруповерты

Сообщение ПАВ » 22 окт 2016, 17:26

Сагласный! Пусть!
В жизни все не так, как на самом деле...
Аватара пользователя
Роман Лященко
Сообщения: 11
Зарегистрирован: 18 ноя 2015, 13:01
Репутация: 0
Откуда: Украина
Контактная информация:

Перфораторы, дрели, шуруповерты

Сообщение Роман Лященко » 23 окт 2016, 23:49

TOPMO3 писал(а):Источник цитаты
Роман Лященко писал(а):Источник цитатыДа, нужна схема
Пжалуйста ...
Трансформатор понижающий - 220В/15В, примерно на 300Вт.
Диоды (4 шт.) - на 10-15А... возможно понадобятся радиаторы (зависит от диодов).
Ну и провода ... и всё!

А конденсатор перед диодами нужен???
Аватара пользователя
elalex
Сообщения: 7423
Зарегистрирован: 21 июл 2015, 08:08
Репутация: 591
Откуда: [email protected]
Контактная информация:

Перфораторы, дрели, шуруповерты

Сообщение elalex » 24 окт 2016, 00:04

Роман Лященко писал(а):Источник цитаты перед диодами

Перед диодами - ни к чему, а перед трансформатором и после диодов - не помешает.
Одиночный свободный электрик
Опыт ремонтов квартир 20лет
Высшее электрическое образование
Бывший инженер-электрик
Пенсионер
64 года
Пишу для владельцев частного жилья
Запасной E–mail для россиян: [email protected]
ПАВ
Сообщения: 7647
Зарегистрирован: 13 авг 2015, 19:54
Репутация: 923
Откуда: Одесса
Контактная информация:

Перфораторы, дрели, шуруповерты

Сообщение ПАВ » 24 окт 2016, 08:27

Роман Лященко писал(а):Источник цитаты
TOPMO3 писал(а):Источник цитаты
Роман Лященко писал(а):Источник цитатыДа, нужна схема
Пжалуйста ...
Трансформатор понижающий - 220В/15В, примерно на 300Вт.
Диоды (4 шт.) - на 10-15А... возможно понадобятся радиаторы (зависит от диодов).
Ну и провода ... и всё!

А конденсатор перед диодами нужен???


Какой конденсатор, какой емкости? Если помехоподавитель, то в любом месте, но с разным напряжением- на входе не менее 400В, на выходе- до 63. Помехи от регулятора оборотов есть, правда это помехи для других потребителей, а не ш/в.
В жизни все не так, как на самом деле...
Аватара пользователя
TOPMO3
Сообщения: 4181
Зарегистрирован: 29 фев 2016, 10:37
Репутация: 626
Откуда: Ижевск
Контактная информация:

Перфораторы, дрели, шуруповерты

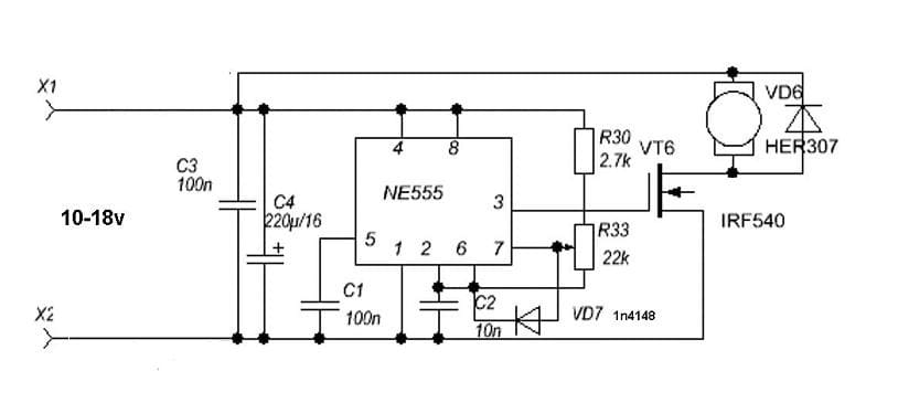
Сообщение TOPMO3 » 24 окт 2016, 17:27

ПАВ писал(а):Источник цитаты
Роман Лященко писал(а):Источник цитатыА конденсатор перед диодами нужен???

Какой конденсатор, какой емкости? Если помехоподавитель, то в любом месте, но с разным напряжением- на входе не менее 400В, на выходе- до 63. Помехи от регулятора оборотов есть, правда это помехи для других потребителей, а не ш/в.
Извините ... я конечно не уверен на все 100, но кажется в состав заводских шим_регуляторов, изначально входят конденсаторы ... так что не надо ему иха.

з.ы. вот нашел в яндексе, с ходу схему регулятора, ... вона они! :yes:
Вложения
1.jpg
Смеюсь последний ... тормоз однако!
Аватара пользователя
Роман Лященко
Сообщения: 11
Зарегистрирован: 18 ноя 2015, 13:01
Репутация: 0
Откуда: Украина
Контактная информация:

Перфораторы, дрели, шуруповерты

Сообщение Роман Лященко » 24 окт 2016, 20:44

рис-7-16.jpg
Такую схему видел
Аватара пользователя
TOPMO3
Сообщения: 4181
Зарегистрирован: 29 фев 2016, 10:37
Репутация: 626
Откуда: Ижевск
Контактная информация:

Перфораторы, дрели, шуруповерты

Сообщение TOPMO3 » 25 окт 2016, 11:32

Роман Лященко писал(а):Источник цитаты
рис-7-16.jpg
Ну, если Вам очень хочется, можете поставить конденсаторы ... стопудово хуже не будет. :smile:
Смеюсь последний ... тормоз однако!
ПАВ
Сообщения: 7647
Зарегистрирован: 13 авг 2015, 19:54
Репутация: 923
Откуда: Одесса
Контактная информация:

Перфораторы, дрели, шуруповерты

Сообщение ПАВ » 26 окт 2016, 18:18

TOPMO3 писал(а):Источник цитаты
ПАВ писал(а):Источник цитаты
Роман Лященко писал(а):Источник цитатыА конденсатор перед диодами нужен???

Какой конденсатор, какой емкости? Если помехоподавитель, то в любом месте, но с разным напряжением- на входе не менее 400В, на выходе- до 63. Помехи от регулятора оборотов есть, правда это помехи для других потребителей, а не ш/в.
Извините ... я конечно не уверен на все 100, но кажется в состав заводских шим_регуляторов, изначально входят конденсаторы ... так что не надо ему иха.

з.ы. вот нашел в яндексе, с ходу схему регулятора, ... вона они! :yes:


Это схема регулятора универсального, а не того, что в ш/верте аккумуляторном! Если мы говорим о питании коллекторного мотора, в любом случае издающего помехи, то там конденсаторы нужны только для предотвращения попадания в сеть, и только. Ш/верту от этого ни тепло, ни холодно.
В жизни все не так, как на самом деле...
Аватара пользователя
TOPMO3
Сообщения: 4181
Зарегистрирован: 29 фев 2016, 10:37
Репутация: 626
Откуда: Ижевск
Контактная информация:

Перфораторы, дрели, шуруповерты

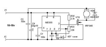
Сообщение TOPMO3 » 02 ноя 2016, 18:11

ПАВ, вопрос такой ... схема на одном транзисторе и двух резисторах, работоспособна?
Это я типа, готовлюсь к зиме и на всяк случай к стабилизированному источнику напряжения (от шуруповерта), хочу приставку спаять - источник тока, регулируемый.
0.jpg
0.jpg (10 КБ) 5861 просмотр

Чтоб можно было, минут за 15 "подкормить" аккумулятор, при больших морозах ... так-сказать, "разогреть" его.
Стабилизация тока не интересует ... все равно буду рядом, сигаретой пыхтеть.
Смеюсь последний ... тормоз однако!
ПАВ
Сообщения: 7647
Зарегистрирован: 13 авг 2015, 19:54
Репутация: 923
Откуда: Одесса
Контактная информация:

Перфораторы, дрели, шуруповерты

Сообщение ПАВ » 02 ноя 2016, 18:36

А какой у этого ш/в стабилизированный источник, давайте уточним.
В жизни все не так, как на самом деле...
Аватара пользователя
TOPMO3
Сообщения: 4181
Зарегистрирован: 29 фев 2016, 10:37
Репутация: 626
Откуда: Ижевск
Контактная информация:

Перфораторы, дрели, шуруповерты

Сообщение TOPMO3 » 02 ноя 2016, 19:24

ПАВ писал(а):Источник цитаты А какой у этого ш/в стабилизированный источник, давайте уточним.
Выше я писал ... вроде.
Выходные: 15В. 23,5А. 350Вт ... инвертор, защита по перегрузу, охлаждение - встроенный вентилятор.
Смеюсь последний ... тормоз однако!
ПАВ
Сообщения: 7647
Зарегистрирован: 13 авг 2015, 19:54
Репутация: 923
Откуда: Одесса
Контактная информация:

Перфораторы, дрели, шуруповерты

Сообщение ПАВ » 02 ноя 2016, 19:50

Честно- именно такую схему не использовал, хватало обычных транзисторов. Поскольку погасить надо немного лишнего напряжения: 15- (13,7...14,4) вольт, попробуйте сгоревшую двухнитевую лампу БС+ДС, обычно сгорает БС, а вторя нить будет балластом. Иногда так делал.
В жизни все не так, как на самом деле...
Аватара пользователя
mastervictor
Сообщения: 4494
Зарегистрирован: 23 июл 2015, 08:50
Репутация: 508
Откуда: Краснодар(почти)
Контактная информация:

Перфораторы, дрели, шуруповерты

Сообщение mastervictor » 05 дек 2016, 15:53


Я плачу!Дайте все!
Нет ничего невозможного,необходимо две вещи,время и деньги!(Я :hi: )
Я отношусь к людям так,как они относятся ко мне!(Я :hi: )
Аватара пользователя
ант@нио
Сообщения: 1174
Зарегистрирован: 19 ноя 2015, 19:17
Репутация: 96
Откуда: МО,Королев
Контактная информация:

Перфораторы, дрели, шуруповерты

Сообщение ант@нио » 05 дек 2016, 17:24

mastervictor писал(а):Источник цитаты Я плачу!Дайте все!

Да ну на :bomb: Где такое продают?
Не ищи причину, ищи средство.
Аватара пользователя
Константин
Сообщения: 3464
Зарегистрирован: 16 сен 2015, 10:19
Репутация: 851
Откуда: Новосибирская область
Контактная информация:

Перфораторы, дрели, шуруповерты

Сообщение Константин » 05 дек 2016, 17:35

ант@нио писал(а):Источник цитаты Да ну на Где такое продают?

На Гербест или Алиэкспресс.
Аватара пользователя
ант@нио
Сообщения: 1174
Зарегистрирован: 19 ноя 2015, 19:17
Репутация: 96
Откуда: МО,Королев
Контактная информация:

Перфораторы, дрели, шуруповерты

Сообщение ант@нио » 05 дек 2016, 17:44

Константин писал(а):Источник цитаты На Гербест или Алиэкспресс.

Кость,брал уже такие приблуды?
Не ищи причину, ищи средство.


  • Реклама

Вернуться в «Инструмент»

Кто сейчас на конференции

Сейчас этот форум просматривают: нет зарегистрированных пользователей и 10 гостей