Помогите разобраться с проблемой!!!

Обсуждение и решение проблем с уличным и внутридомовым освещением, люминесцентные и светодиодные лампы, установка и схемы подключение светильников и люстр, ремонт, пускорегулирующая аппаратура (ПРА), дросселя, ИЗУ и т.п.
Serega_s1988
Сообщения: 2
Зарегистрирован: 01 авг 2017, 23:30
Репутация: 0
Контактная информация:

Помогите разобраться с проблемой!!!

Сообщение Serega_s1988 » 01 авг 2017, 23:39

Доброго времени суток. Проблема вот в чём. Попросил товарищ разобраться чего у него светодиоды подсвечивают, сразу подумал что выключатель с подсветкой. Когда пришел к нему, там оказался обычный выключатель, и при разомкнутых контактах на нём, на выходе в потолке есть 167 вольт, при замыкании 220. Как такое может быть?? И как с этим бороться?)) Помогите советом) заранее спасибо!
Реклама
Аватара пользователя
elalex
Сообщения: 7423
Зарегистрирован: 21 июл 2015, 08:08
Репутация: 591
Откуда: [email protected]
Контактная информация:

Помогите разобраться с проблемой!!!

Сообщение elalex » 02 авг 2017, 00:58

Нарисуйте картинку напряжений в обоих положениях выключателя.
Одиночный свободный электрик
Опыт ремонтов квартир 20лет
Высшее электрическое образование
Бывший инженер-электрик
Пенсионер
64 года
Пишу для владельцев частного жилья
Запасной E–mail для россиян: [email protected]
ПАВ
Сообщения: 7647
Зарегистрирован: 13 авг 2015, 19:54
Репутация: 923
Откуда: Одесса
Контактная информация:

Помогите разобраться с проблемой!!!

Сообщение ПАВ » 02 авг 2017, 08:21

Serega_s1988 писал(а):Источник цитаты Доброго времени суток. Проблема вот в чём. Попросил товарищ разобраться чего у него светодиоды подсвечивают, сразу подумал что выключатель с подсветкой. Когда пришел к нему, там оказался обычный выключатель, и при разомкнутых контактах на нём, на выходе в потолке есть 167 вольт, при замыкании 220. Как такое может быть?? И как с этим бороться?)) Помогите советом) заранее спасибо!

1- включатель разрывает линию или нейтраль ?
2- какая проводка, сколько лет ?
3- чем измеряли ?
4- что еще есть на этой линии ?
В жизни все не так, как на самом деле...
Serega_s1988
Сообщения: 2
Зарегистрирован: 01 авг 2017, 23:30
Репутация: 0
Контактная информация:

Помогите разобраться с проблемой!!!

Сообщение Serega_s1988 » 02 авг 2017, 08:36

Дом относительно новый, лет 5. Проводка медь. При замкутом выключателе 227 вольт, но 167в сидит там постоянно, даже когда снят выключатель. На разрыв идет фаза. Измерял мультиметром. Что ещё на этой линии еще не разобрался.
Аватара пользователя
Константин
Сообщения: 3464
Зарегистрирован: 16 сен 2015, 10:19
Репутация: 851
Откуда: Новосибирская область
Контактная информация:

Помогите разобраться с проблемой!!!

Сообщение Константин » 02 авг 2017, 16:17

Serega_s1988 писал(а):Источник цитаты Дом относительно новый, лет 5. Проводка медь. При замкутом выключателе 227 вольт, но 167в сидит там постоянно, даже когда снят выключатель. На разрыв идет фаза. Измерял мультиметром. Что ещё на этой линии еще не разобрался.

Обратные токи по нейтрали тогда поступают. Причиной может быть аварийное состояния нейтрали в ГРЩ или распределительного щита.
Иногда такие казусы получаются при сильно загруженной линии электропитания. Бороться при перегрузах можно просто установив диод на входе светильника на N. Ток пропускать от светильника в сеть он будет. А впускать из сети нет. И не будет у вас подсвечиваться диодные лампы.
А так по сути производители должны бороться такими методами в нутри драйвера лампы. Скорей всего у вашего товарища самые дешевые из их сигмента. поэтому такие компоненты просто вырезаны из схемы.
ПАВ
Сообщения: 7647
Зарегистрирован: 13 авг 2015, 19:54
Репутация: 923
Откуда: Одесса
Контактная информация:

Помогите разобраться с проблемой!!!

Сообщение ПАВ » 02 авг 2017, 16:20

Там в любом случае есть мост, что примитив с резистивно-конденсаторным балластом, что ИС-драйвер, поэтому еще один диод вряд ли поможет.
В жизни все не так, как на самом деле...
Аватара пользователя
Константин
Сообщения: 3464
Зарегистрирован: 16 сен 2015, 10:19
Репутация: 851
Откуда: Новосибирская область
Контактная информация:

Помогите разобраться с проблемой!!!

Сообщение Константин » 02 авг 2017, 16:35

ПАВ писал(а):Источник цитаты Там в любом случае есть мост, что примитив с резистивно-конденсаторным балластом, что ИС-драйвер, поэтому еще один диод вряд ли поможет.

Проверенно 100% Это единственное решение которое эффективно помогало. Как вариант еще один применял с промежуточным реле. Такое ставил в люстру. Таже беда была в старом фонде. Если у нашего ТС люстра то туда можно поставить промежуточное реле(без розетки). И будет счастье если нет диодов. Реле будет отключать два полюса и не будет тока ни с какой стороны.
Аватара пользователя
Константин
Сообщения: 3464
Зарегистрирован: 16 сен 2015, 10:19
Репутация: 851
Откуда: Новосибирская область
Контактная информация:

Помогите разобраться с проблемой!!!

Сообщение Константин » 02 авг 2017, 17:10

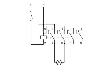
Накидал схемку с реле.
Реле для люстры.jpg


PS.Скорректировал для непонятливых.
Последний раз редактировалось Константин 07 авг 2017, 18:19, всего редактировалось 1 раз.
Аватара пользователя
elalex
Сообщения: 7423
Зарегистрирован: 21 июл 2015, 08:08
Репутация: 591
Откуда: [email protected]
Контактная информация:

Помогите разобраться с проблемой!!!

Сообщение elalex » 02 авг 2017, 17:37

Интересная идея, только соединений многовато - будет КЗ. И катушку реле давно рисуют по-другому.
Про диод - поддерживаю ПАВ.
Одиночный свободный электрик
Опыт ремонтов квартир 20лет
Высшее электрическое образование
Бывший инженер-электрик
Пенсионер
64 года
Пишу для владельцев частного жилья
Запасной E–mail для россиян: [email protected]
Аватара пользователя
Константин
Сообщения: 3464
Зарегистрирован: 16 сен 2015, 10:19
Репутация: 851
Откуда: Новосибирская область
Контактная информация:

Помогите разобраться с проблемой!!!

Сообщение Константин » 02 авг 2017, 20:28

elalex писал(а):Источник цитаты только соединений многовато - будет КЗ

С какого перепугу? Изолировать не учили?
elalex писал(а):Источник цитаты И катушку реле давно рисуют по-другому

В однолинейной схеме квадратик с выводами. Тот кто далек не поймет. Так лучше.
Аватара пользователя
elalex
Сообщения: 7423
Зарегистрирован: 21 июл 2015, 08:08
Репутация: 591
Откуда: [email protected]
Контактная информация:

Помогите разобраться с проблемой!!!

Сообщение elalex » 02 авг 2017, 20:59

Константин писал(а):Источник цитаты
elalex писал(а):Источник цитаты только соединений многовато - будет КЗ

С какого перепугу? Изолировать не учили?
elalex писал(а):Источник цитаты И катушку реле давно рисуют по-другому

В однолинейной схеме квадратик с выводами. Тот кто далек не поймет. Так лучше.

1.С перепугу грамотности. Некоторые мелочи (и грамматические, и электрические) некоторым людям страшно режут глаза, просто невозможно смотреть. Например - транслитерация английских слов русскими буквами на вывеске.
2.Кто далек - не знает, что такое реле. Как ни нарисуй его - всё равно не поймет.
Одиночный свободный электрик
Опыт ремонтов квартир 20лет
Высшее электрическое образование
Бывший инженер-электрик
Пенсионер
64 года
Пишу для владельцев частного жилья
Запасной E–mail для россиян: [email protected]
Аватара пользователя
Константин
Сообщения: 3464
Зарегистрирован: 16 сен 2015, 10:19
Репутация: 851
Откуда: Новосибирская область
Контактная информация:

Помогите разобраться с проблемой!!!

Сообщение Константин » 04 авг 2017, 16:02

elalex писал(а):Источник цитаты 2.Кто далек - не знает, что такое реле. Как ни нарисуй его - всё равно не поймет.

Это его проблемы. Ему выпал шанс научиться или нанимать того кто знает.
elalex писал(а):Источник цитаты 1.С перепугу грамотности. Некоторые мелочи (и грамматические, и электрические) некоторым людям страшно режут глаза, просто невозможно смотреть. Например - транслитерация английских слов русскими буквами на вывеске.

Так я не понял при чем тут КЗ? Какое отношение выражение или произношение слов устно или письменно может повлиять на работу схемы?
Если я по русски скажу "фака маза" то у меня КЗ щас в розетке будет?
Аватара пользователя
elalex
Сообщения: 7423
Зарегистрирован: 21 июл 2015, 08:08
Репутация: 591
Откуда: [email protected]
Контактная информация:

Помогите разобраться с проблемой!!!

Сообщение elalex » 04 авг 2017, 17:06

КЗ притом, что схема с реле нарисована неправильно, и при её включении будет КЗ. Очередное козыряние неграмотностью, в этом случае - электрической.
Это профи поймут идею схемы, а новички могут сделать её буквально.
Одиночный свободный электрик
Опыт ремонтов квартир 20лет
Высшее электрическое образование
Бывший инженер-электрик
Пенсионер
64 года
Пишу для владельцев частного жилья
Запасной E–mail для россиян: [email protected]
Аватара пользователя
Константин
Сообщения: 3464
Зарегистрирован: 16 сен 2015, 10:19
Репутация: 851
Откуда: Новосибирская область
Контактная информация:

Помогите разобраться с проблемой!!!

Сообщение Константин » 04 авг 2017, 17:12

elalex писал(а):Источник цитаты КЗ притом, что схема с реле нарисована неправильно, и при её включении будет КЗ. Очередное козыряние неграмотностью, в этом случае - электрической.
Это профи поймут идею схемы, а новички могут сделать её буквально.

Это в каком же месте???
ПАВ
Сообщения: 7647
Зарегистрирован: 13 авг 2015, 19:54
Репутация: 923
Откуда: Одесса
Контактная информация:

Помогите разобраться с проблемой!!!

Сообщение ПАВ » 04 авг 2017, 17:40

Это намек на лишние точки на схеме, я тАк думаю.
В жизни все не так, как на самом деле...
Аватара пользователя
Константин
Сообщения: 3464
Зарегистрирован: 16 сен 2015, 10:19
Репутация: 851
Откуда: Новосибирская область
Контактная информация:

Помогите разобраться с проблемой!!!

Сообщение Константин » 04 авг 2017, 18:03

ПАВ писал(а):Источник цитаты Это намек на лишние точки на схеме, я тАк думаю.

Я на оборот одну пропустил.
Аватара пользователя
Константин
Сообщения: 3464
Зарегистрирован: 16 сен 2015, 10:19
Репутация: 851
Откуда: Новосибирская область
Контактная информация:

Помогите разобраться с проблемой!!!

Сообщение Константин » 04 авг 2017, 18:06

По мнению elalex, тут надо рисовать по две шт. Типо для профи и чайников.
Профи.jpg

Для чайников.jpg
Аватара пользователя
elalex
Сообщения: 7423
Зарегистрирован: 21 июл 2015, 08:08
Репутация: 591
Откуда: [email protected]
Контактная информация:

Помогите разобраться с проблемой!!!

Сообщение elalex » 04 авг 2017, 18:10

Нужно сразу рисовать правильно, а не выеб.ваться.
Одиночный свободный электрик
Опыт ремонтов квартир 20лет
Высшее электрическое образование
Бывший инженер-электрик
Пенсионер
64 года
Пишу для владельцев частного жилья
Запасной E–mail для россиян: [email protected]
Аватара пользователя
Константин
Сообщения: 3464
Зарегистрирован: 16 сен 2015, 10:19
Репутация: 851
Откуда: Новосибирская область
Контактная информация:

Помогите разобраться с проблемой!!!

Сообщение Константин » 04 авг 2017, 18:21

elalex писал(а):Источник цитаты Нужно сразу рисовать правильно, а не выеб.ваться.

А у меня и там правильно. Так нех звиздеть. У вас на лбу не пишется, что крайне в кавычках не понимаем схемы. И я так понял корпус пластиковый отображенный мной как прямоугольник в нутри которого катушка вы принимаете как на замкнутую цепь. Хотелось бы реально увидеть как это по пластмассе будите проводить ток. Вроде для одаренных специально пометил, что это реле промежуточное. А это цельное изделие в корпусе и это блин изображен его корпус.
ПАВ
Сообщения: 7647
Зарегистрирован: 13 авг 2015, 19:54
Репутация: 923
Откуда: Одесса
Контактная информация:

Помогите разобраться с проблемой!!!

Сообщение ПАВ » 04 авг 2017, 18:25

Нужно и не вы...ся и не придираться- ловля блох не лучшее занятие для электриков 80-го уровня.
В жизни все не так, как на самом деле...


  • Реклама

Вернуться в «Освещение и источники света»

Кто сейчас на конференции

Сейчас этот форум просматривают: нет зарегистрированных пользователей и 8 гостей